ГлавнаяКаталогНаучные камеры и визуализация процессовНаучные и промышленные КМОП камерыКамеры для машинного зренияSSP-MVCA - промышленные камеры машинного зрения с сенсором 1.1"
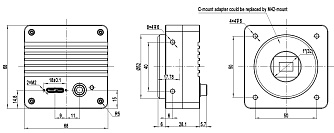
SSP-MVCA - промышленные камеры машинного зрения с сенсором 1.1"
SSP-MVCA – начальная серия камер машинного зрения для широкого круга промышленных задач.
- CMOS сенсор Sony с технологией Exmar.
- Сенсор формата 1.1" (преимущественно).
- USB 3.0 интерфейс.
- Сверхкомпактные размеры.
Особенности:
- Двухступенчатая технология шумоподавления;
- Высокая чувствительность до 1574 мВ на 1/30 с и низкий уровень шума до 0,15 мВ на 1/30 с;
- Интерфейс передачи данных USB 3.0, совместимый с протоколом USB2.0;
- Предоставляется расширенное прикладное ПО для обработки видео и изображений, совместимое с многоплатформенным SDK для Windows/Linux/OSX, поддержка native C/C++, C#/VB.Net, DirectShow, Twain API;
- Поддержка внешнего запуска, цифрового ввода-вывода и автономных режимов работы;
- Возможность настройки ROI, флипа, переключения битовой глубины;
- Поддержка обновление прошивки на рабочем месте;
- Соответствие стандартам CE, FCC.
Кадровый (глобальный) затвор:
| Модель | Сенсор: разрешение, модель, цветность, формат | Размер пикселя (мкм) | Чувствительность, темновой сигнал | Скорость съемки (fps) @ разрешение | Биннинг | Экспозиция |
|---|---|---|---|---|---|---|
|
SSP-MVCA390MN
|
0.4 Мп, IMX287LLR, ЧБ, 1/2.9" | 6,9 |
7320 мВ @ 1/30 c, 0,76 мВ @ 1/30 с |
101,5 @ 720 × 540 | 1 × 1 | 6 мкс - 15 с |
|
SSP-MVCA503MN
|
0.5 Мп, IMX426LLJ, ЧБ, 1/1.7" | 9,0 |
8100 мВ @ 1/30 c, 0,3 мВ @ 1/30 с |
79,8 @ 800 × 620 | 1 × 1 | 6 мкс - 15 с |
|
SSP-MVCA1700MN
|
1.7 Мп, IMX432LLJ, ЧБ, 1.1" | 9,0 |
8100 мВ @ 1/30 c, 0,3 мВ @ 1/30 с |
98,6 @ 1600 × 1100 | 1 × 1 | 6 мкс - 15 с |
|
SSP-MVCA1700CR
|
1.7 Мп, IMX432LQJ, ЦВ, 1.1" | 9,0 |
4910 мВ @ 1/30 c, 0,3 мВ @ 1/30 с |
98,6 @ 1600 × 1100 | 1 × 1 | 42 мкс - 15 с |
|
SSP-MVCA2300MN
|
2.3 Мп, IMX249LLJ, ЧБ, 1/1.2" | 5,86 |
1650 мВ @ 1/30 c, 0,15 мВ @ 1/30 с |
30 @ 1920 × 1200 | 1 × 1 | 42 мкс - 15 с |
|
SSP-MVCA2300CR
|
2.3 Мп, IMX249LQJ, ЦВ, 1/1.2" | 5,86 |
1016 мВ @ 1/30 c, 0,15 мВ @ 1/30 с |
30 @ 1920 × 1200 | 1 × 1 | 15 мкс - 15 с |
|
SSP-MVCA5000MN
|
5.0 Мп, IMX264LLR, ЧБ, 2/3" | 3,45 |
1830 мВ @ 1/30 c, 0,15 мВ @ 1/30 с |
35,6 @ 2448 × 1536; 87,6 @ 1224 × 1024 |
1 × 1 | 15 мкс - 15 с |
|
SSP-MVCA5000CR
|
5.0 Мп, IMX264LQR, ЦВ, 2/3" | 3,45 |
1146 мВ @ 1/30 c, 0,15 мВ @ 1/30 с |
35,6 @ 2448 × 1536; 87,6 @ 1224 × 1024 |
1 × 1 | 15 мкс - 15 с |
|
SSP-MVCA7100MN
|
7.1 Мп, IMX428LLJ, ЧБ, 1.1" | 4,5 |
3354 мВ @ 1/30 c, 0,15 мВ @ 1/30 с |
51,3 @ 3200 × 2200; 133,8 @ 1584 × 1100 |
1 × 1 | 6 мкс - 15 с |
|
SSP-MVCA7100CR
|
7.1 Мп, IMX428LQJ, ЦВ, 1.1" | 4,5 |
2058 мВ @ 1/30 c, 0,15 мВ @ 1/30 с |
51,3 @ 3200 × 2200; 133,8 @ 1584 × 1100 |
1 × 1 | 6 мкс - 15 с |
|
SSP-MVCA20400MN
|
20.4 Мп, IMX541-AAMJ-C, ЧБ, 1.1" | 2,74 |
2469 мВ @ 1/30 c, 0,15 мВ @ 1/30 с |
17,5 @ 4496 × 4496; 64,4 @ 2240 × 2240; 64,4 @ 1120 × 1120 |
1 × 1 2 × 2 4 × 4 |
30 мкс - 15 с |
|
SSP-MVCA20400CR
|
20.4 Мп, IMX541-AAQJ-C, ЦВ, 1.1" | 2,74 |
1574 мВ @ 1/30 c, 0,15 мВ @ 1/30 с |
17,5 @ 4496 × 4496; 64,4 @ 2240 × 2240; 64,4 @ 1120 × 1120 |
1 × 1 2 × 2 4 × 4 |
30 мкс - 15 с |
Скользящий (строковый/бегущий) затвор:
| Модель | Сенсор: разрешение, модель, цветность, формат | Размер пикселя (мкм) | Чувствительность, темновой сигнал | Скорость съемки (fps) @ разрешение | Биннинг | Экспозиция |
|---|---|---|---|---|---|---|
| SSP-MVCA2100CR-IR | 2.1 Мп, IMX462LQR, ИК, ЦВ, 1/2.8" | 2,9 |
2376 мВ @ 1/30 c, 0,15 мВ @ 1/30 с |
120,3 @ 1920 × 1080 | 1 × 1 | 11 мкс - 15 с |
|
SSP-MVCA4100CR-IR
|
4.1 Мп, IMX464LQJ, ИК, ЦВ, 1/1.8" | 2,9 |
2376 мВ @ 1/30 c, 0,15 мВ @ 1/30 с |
90 @ 2688 × 1520 | 1 × 1 | 11 мкс - 15 с |
|
SSP-MVCA4200MN-UV
|
4.2 Мп, GSENSE2020BSI, УФ, ЧБ, 1.2" | 6,5 |
1,1×108 e-/((Вт/м2)с), КЭ 93,7% @ 550 нм, 80 e-/пикс/с |
44 @ 2048 × 2048; 44 @ 1224 × 1024 |
1 × 1 2 × 2 |
21 мкс - 60 с |
|
SSP-MVCA4200MN2-UV
|
4.2 Мп, GSENSE2020BSI, УФ, ЧБ, 2" |
11,0 |
3,25×108 e-/((Вт/м2)с), КЭ 95,3% @ 560 нм, 345 e-/пикс/с |
37 @ 2048 × 2048; 37 @ 1224 × 1024 |
1 × 1 2 × 2 |
21 мкс - 60 с |
|
SSP-MVCA6300MN
|
6.3 Мп, IMX178LLJ, ЧБ, 1/1.8" | 2,4 |
760 мВ @ 1/30 c, 0,15 мВ @ 1/30 с |
59,9 @ 3072 × 2048; 59,9 @ 1536 × 1024 |
1 × 1 2 × 2 |
17 мкс - 15 с |
|
SSP-MVCA6300CR
|
6.3 Мп, IMX178LQJ, ЦВ, 1/1.8" | 2,4 |
425 мВ @ 1/30 c, 0,15 мВ @ 1/30 с |
59,8 @ 3072 × 2048; 59,5 @ 1536 × 1024 |
1 × 1 2 × 2 |
17 мкс - 15 с |
|
SSP-MVCA20000MN
|
20.0 Мп, IMX541-AAMJ-C, ЧБ, 1.1" | 2,74 |
777 мВ @ 1/30 c, 0,2 мВ @ 1/30 с |
19,0 @ 5440 × 3648; 49,9 @ 2736 × 1824; 59,5 @ 1824 × 1216 |
1 × 1 2 × 2 3 × 3 |
53 мкс - 15 с |
|
SSP-MVCA20000CR
|
20.0 Мп, IMX541-AAQJ-C, ЦВ, 1.1" | 2,74 |
462 мВ @ 1/30 c, 0,2 мВ @ 1/30 с |
19,0 @ 5440 × 3648; 48,8 @ 2736 × 1824; 59,4 @ 1824 × 1216 |
1 × 1 2 × 2 3 × 3 |
53 мкс - 15 с |
- Интеллектуальные системы дорожного движения (ИТС).
- Идентификация и обнаружение объектов.
- Контроль процессов сборки на производстве.
- Аэрофотосъемка.
- Идентификация подписей и считывание штрих-кодов.
- Восстановление, сегментация и обработка изображений.
- Анализ оптического потока.











