DAVT - оптические платформы с активной виброизоляцией
- Активная виброизоляция с 6 степенями свободы.
- Частотный диапазон: от 1 до 1000 Гц.
- Мониторинг вибраций в реальном времени.
- Простота установки и использования.
- Компактная конструкция: 520x440 и 600x500 мм.
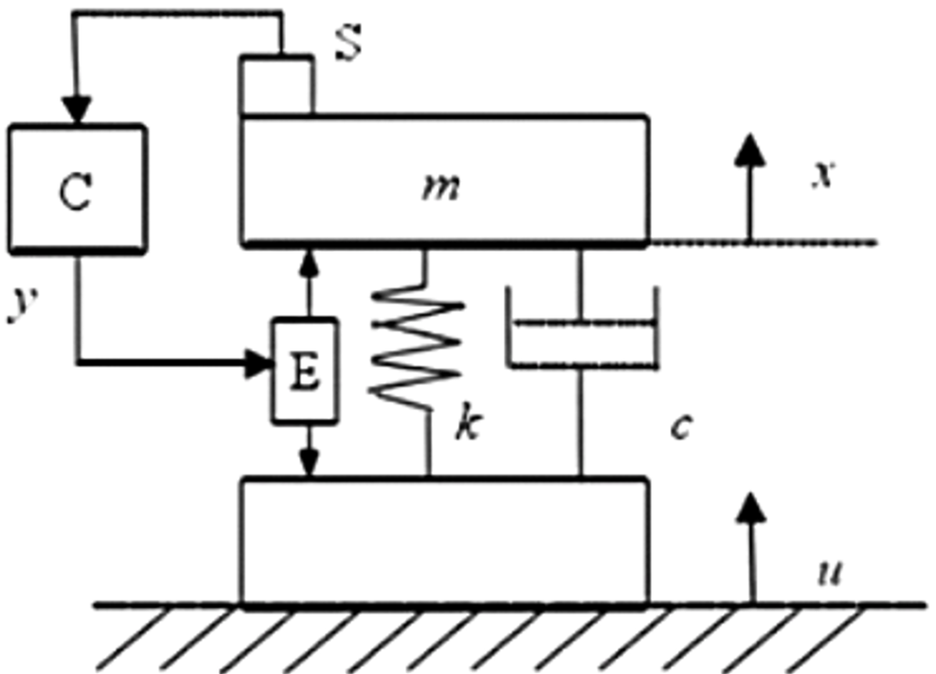
Принцип активной виброизоляции
Активная виброизоляция – это технология ослабления вибраций путем приложения контрсилы или контрколебаний в противофазе. В отличие от пассивных систем, она использует внешний источник энергии (например, электричество) для привода исполнительных механизмов, которые генерируют противоположные по фазе колебания, тем самым активно подавляя исходную вибрацию.
Система активной виброизоляции обычно состоит из трех ключевых компонентов:
- Датчики: отслеживают вибрации защищаемого оборудования.
- Контроллер: анализирует данные с датчиков в реальном времени и генерирует корректирующие сигналы.
- Исполнительные механизмы: получают сигналы от контроллера и создают точные противовибрации для компенсации исходных.
Принцип активной виброизоляции
Преимущества активной виброизоляции:
- Высокая скорость отклика.
- Широкий диапазон применения.
- Стабильность характеристик.
Требования к установке активной виброизоляционной платформы
Для обеспечения максимальной эффективности работы платформы необходимо соблюдать следующие условия монтажа:
- Платформа должна устанавливаться на жесткое и прочное основание, такое как бетонный пол, мраморная столешница, жесткая рама и т.д.
- Отклонение от плоскостности поверхности установки не должно превышать 0,5 мм.
- Отсутствие дополнительной виброизоляции: поверхность основания под платформой не должна иметь дополнительных виброизолирующих элементов (пневмоопор, демпфирующих прокладок и т.п.).
- Если платформа монтируется на раму или стойку, регулируемые опоры (ножки) рамы должны быть надежно закреплены на полу. Предпочтительнее использовать опоры минимальной высоты и с винтами большего диаметра для повышения жесткости.
- По возможности, размещайте платформу вдали от источников сильной вибрации или значительных воздушных потоков, таких как компрессоры или выходные вентиляционные отверстия систем кондиционирования.
Виброизолирующие характеристики платформы
Активные виброизоляционные платформы демонстрируют превосходные характеристики гашения вибраций, достигая уровней стандартов VC-E и VC-F. Кривая передаточной функции (коэффициента передачи вибраций) активной виброизоляционной платформы представлена на рисунке ниже. Данный график наглядно иллюстрирует эффективность подавления вибраций в широком частотном диапазоне.

Кривая передаточной функции активной виброизоляционной платформы
| Параметр | Значение | Ед. измерения | |
|---|---|---|---|
|
Модель
|
DAVT520 | DAVT600 | |
|
Размеры (Д x Ш x В)
|
520 x 440 x 125 | 600 x 500 x 125 | мм |
|
Нагрузка
|
5 - 100 | 10 - 200 | кг |
|
Вес платформы
|
32 | 38 | кг |
|
Система виброизоляции
|
|||
|
Тип виброизоляции
|
Активная |
|
|
|
Число степеней свободы
|
6 |
|
|
|
Диапазон частот
|
1 - 1000 | Гц | |
|
Время стабилизации
|
0,3 | с | |
|
Эффективность виброизоляции на 2 Гц
|
60 | % | |
|
Эффективность виброизоляции на 5 Гц
|
90 | % | |
|
Эффективность виброизоляции на 10 Гц
|
90 - 99 | % | |
|
Виброизолятор
|
Металлические пружины |
|
|
|
Тип привода
|
Звуковая катушка |
|
|
- Микроскопия.
- Оптические измерения и интерферометрия.
- Оптические лаборатории и исследовательские стенды.
- Лазерные системы.
- Научные исследования.





