ГлавнаяКаталогИзмерение параметров лазеров, оптики и оптоэлектроникиИзмерители оптической мощности лазерного излученияПироэлектрические измерители энергии оптического излученияPEM 12 HiRep UV - пироэлектрический датчик для лазеров с высокой частотой повторения
PEM 12 HiRep UV - пироэлектрический датчик для лазеров с высокой частотой повторения
Сенсоры датчиков серии PEM HiRep имеют покрытие с высокой теплопередачей, что позволяет измерять энергию импульсов с высокой частотой повторения. Подходят для использования в УФ диапазоне.
- Диапазон измеряемой энергии 30 мкДж - 60 мДж.
- Широкий спектральный диапазон 190 нм - 2,5 мкм.
- Диаметр активной области 12 мм.
- Максимальная частота повторения 2,5 кГц.
Производитель: LBTEK
Сенсоры датчиков серии PEM HiRep имеют тонкое металлическое покрытие, которое обеспечивает быструю теплопередачу, что позволяет измерять энергию импульсов с высокой частотой повторения. Металлическое покрытие более устойчиво в УФ диапазоне, чем черное поглощающее. Спектральные характеристики равномерны в видимом и ближнем ИК диапазонах, для более длинных волн необходимо учитывать поглощающие свойства. Основное применение датчиков - проведение измерений на одной длине волны.
Особенности:
- Диапазон измеряемой энергии 30 мкДж - 60 мДж.
- Широкий спектральный диапазон 190 нм - 2,5 мкм.
- Диаметр активной области 12 мм.
- Максимальная частота повторения 2,5 кГц.
| Параметр | Значение | Ед.измерения |
|---|---|---|
| Спектральный диапазон | 190-2500 | нм |
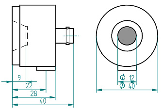
| Диаметр активной области | 12 | мм |
|
Чувствительность
|
35-45 | В/Дж |
|
Макс. частота повторения
|
2,5 |
кГц |
|
Макс. средняя мощность
|
2 | Вт |
| Макс. средняя плотность энергии (длит.10 нс) | 50 | мДж/см2 |
|
Макс. пиковая плотность мощности
|
5 | МВт/см2 |
|
Диапазон измеряемой энергии
|
30 мкДж - 60 мДж |
|
|
Точность
|
±3 | % |
|
Размеры
|
Ø40 х 40 | мм |
| Тип интерфейса | BNC-E | |
| Длина кабеля | 1,5 | м |
- Научные исследования.
- Тестирование и измерение.
- Метрология.





