ГлавнаяКаталогИзмерение параметров лазеров, оптики и оптоэлектроникиИзмерители оптической мощности лазерного излученияПироэлектрические измерители энергии оптического излученияPEM 24 HiRep - пироэлектрический датчик для лазеров с высокой частотой повторения
PEM 24 HiRep - пироэлектрический датчик для лазеров с высокой частотой повторения
Сенсоры датчиков серии PEM HiRep имеют покрытие с высокой теплопередачей, что позволяет измерять энергию импульсов с высокой частотой повторения.
- Диапазон измеряемой энергии 30 мкДж - 350 мДж.
- Видимый и ИК спектральный диапазоны 190 нм - 25 мкм.
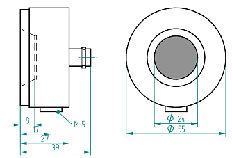
- Диаметр активной области 24 мм.
- Максимальная частота повторения 750 Гц.
Производитель: LBTEK
Сенсоры датчиков серии PEM HiRep имеют тонкое черное поглощающее покрытие, которое обеспечивает быструю теплопередачу, что позволяет измерять энергию импульсов с высокой частотой повторения. Спектральные характеристики равномерны в видимом и ближнем ИК диапазонах. Основное применение датчиков - проведение измерений на одной длине волны.
Особенности:
- Диапазон измеряемой энергии 30 мкДж - 350 мДж.
- Широкий спектральный диапазон 190 нм - 25 мкм.
- Диаметр активной области 24 мм.
- Максимальная частота повторения 750 Гц.
| Параметр | Значение | Ед.измерения |
|---|---|---|
| Спектральный диапазон | 190-25000 | нм |
| Диаметр активной области | 24 | мм |
|
Чувствительность
|
20-30 | В/Дж |
|
Макс. частота повторения
|
750 |
Гц |
|
Макс. средняя мощность
|
5 | Вт |
| Макс. средняя плотность энергии (длит.10 нс) | 80 | мДж/см2 |
|
Макс. пиковая плотность мощности
|
8 | МВт/см2 |
|
Диапазон измеряемой энергии
|
30 мкДж - 350 мДж |
|
|
Точность
|
±3 | % |
|
Размеры
|
Ø55 х 39 | мм |
| Тип интерфейса | BNC-E | |
| Длина кабеля | 1,5 | м |
- Научные исследования.
- Тестирование и измерение.
- Метрология.





