Omni-λ300i - монохроматор-спектрограф
- Фокусное расстояние: 320 мм.
- Обратная дисперсия: 4,2 нм/мм.
- Разрешение при использовании с CCD-камерой: до 0,17 нм.
- Длина шага сканирования: 0.005 нм.
Монохроматоры-спектрографы серии Omni-λ оснащены дифракционными решетками, расположенными на поворотном барабане, управляемом с помощью специального программного обеспечения. Длина волны и разрешение могут быть настроены как в программе, так и в пользовательском приложении с помощью включенного комплекта разработчика SDK.
Использование монохроматора с приемником (CCD-камеры, одноэлементные детекторы, многоэлементные фотодиодные сенсоры) позволяет пользователям измерять спектры флуоресценции, поглощения, пропускания, отражения, а также спектры комбинационного рассеяния.
Omni-λ300i – классический монохроматор с фокусным расстоянием 320 мм.
Основные особенности спектрографов-монохроматоров Omni-λ:
- Предварительная калибровка и юстировка оптики.
- Сменные наборы решеток – разные диапазоны длин волн и различное доступное разрешение.
- Монохроматоры могут быть интегрированы в системы с детекторами различного типа.
- Возможность подключить множество аксессуаров, включая сменные светофильтры, моторизированные щели, кюветы, затворы, волоконные адаптеры.
- Программное обеспечение позволяет проводить сбор и обработку данных для точечных детекторов и CCD-камер.
- Драйвер Labview для программирования работы спектрографа.
Основные характеристики
|
Параметр
|
Значение | Ед. измерения |
|---|---|---|
|
Фокусное расстояние
|
320 | мм |
|
Относительное отверстие
|
f/4,2 | - |
|
Обратная дисперсия*
|
2,3 | нм/мм |
|
Разрешение при использовании ФЭУ**
|
0,08 | нм |
|
Разрешение при использовании CCD**
|
0,174 | нм |
|
Точность установки длины волны
|
±0,2 | нм |
|
Воспроизводимость длины волны
|
±0,1 | нм |
|
Длина шага сканирования
|
0,005 | нм |
|
Площадь фокальной плоскости
|
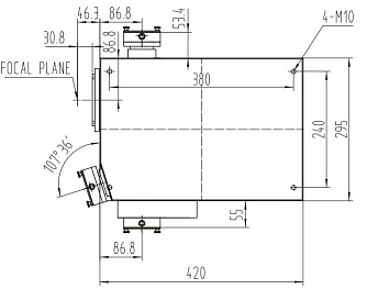
30(Ш)*14(В) | мм |
|
Высота оптической оси
|
146 | мм |
|
Размер решетки
|
68*68 | мм |
|
Ширина щели
|
0,01 – 3 | мм |
|
Турель
|
На 3 решетки |
|
|
Размеры
|
420*295*232 | мм |
|
Вес
|
28 | кг |
|
Интерфейс
|
USB 2.0 и RS232 |
|
** при использовании с решеткой 1200 штр/мм и длиной волны блеска 435,8 нм, щели 10 мкм, высота щели 4 мм
*** при использовании с решеткой 1200 штр/мм и длиной волны блеска 435,8 нм, щели 10 мкм, пиксель 25 мкм
Характеристики дифракционных решёток
| Решётка (штр/мм) | 2400 | 1800 | 1200 | 600 | 300 | 150 | 75 |
|---|---|---|---|---|---|---|---|
| Дисперсия (нм/мм) @ 435,83 нм | 0,91 | 1,39 | 2,29 | 4,87 | 9,97 | 20,13 | 40,43 |
| Диапазон сканирования (нм) | 0–600 | 0–800 | 0–1200 | 0–2400 | 0–4800 | 0–9600 | 0–19200 |
| Шаг (нм) | 0,0025 | 0,0035 | 0,005 | 0,01 | 0,02 | 0,04 | 0,08 |
| Спектральное разрешение с щелью 10 мкм (нм) | 0,05 | 0,07 | 0,08 | 0,16 | 0,32 | 0,64 | — |
| Спектральное разрешение с щелью 100 мкм (нм) | — | — | 0,23 | 0,46 | 0,92 | 1,84 | 3,7 |
| Спектральное разрешение (нм) @ CCD (15 мкм) | 0,069 | 0,105 | 0,173 | 0,368 | 0,754 | 1,52 | 3,05 |
| Спектральный диапазон за один кадр CCD (нм) @ CCD 30 мм | 27,6 | 41,7 | 68,7 | 146,1 | 299,1 | 603,9 | 1212,9 |
| Точность длины волны (нм) | ±0,1 | ±0,15 | ±0,2 | ±0,4 | ±0,8 | ±1,6 | ±3,2 |
| Воспроизводимость длины волны (нм) | 0,015 | 0,02 | 0,025 | 0,05 | 0,1 | 0,4 | 0,8 |
Примечание 2: Спектральный диапазон за один кадр CCD и значения дисперсии приведены для центральной длины волны 435,83 нм. По мере увеличения центральной длины волны спектральный диапазон сужается.
Примечание 3: По мере увеличения центральной длины волны значение дисперсии уменьшается; и наоборот, при уменьшении центральной длины волны значение дисперсии увеличивается.
- Исследование люминесцентных свойств различных материалов.
- Рамановская спектроскопия.
- Измерение пропускания, поглощения.
- Плазменная эмиссионная спектроскпоия.
- Перестраиваемые источники монохроматического излучения.
- Фотометрические измерения.
1. Конфигурация
Монохроматор-спектрограф может быть выбран в 4 базовых конфигурациях в зависимости от количества и типа входных и выходных портов.

Omni-λ3005i – боковая входная щель, фронтальная выходная щель, опциональный фронтальный порт,
Omni-λ3006i – боковая входная щель, фронтальная выходная щель с адаптером под CCD-камеру, опциональный фронтальный порт.
Omni-λ3007i – боковая входная щель, фронтальная и боковая выходные щели, опциональный фронтальный порт,
Omni-λ3008i – боковая входная щель, боковая выходная щель, фронтальная выходная щель с адаптером под CCD-камеру, опциональный фронтальный порт.
2. Покрытие оптики
По умолчанию в монохроматоре используется оптика с алюминиевым покрытием. Вы можете выбрать альтернативные варианты:- Золотое покрытие.
- Серебряное покрытие.
- УФ покрытие.
3. Аксессуары
Вход:














