BA1200 - анализаторы качества пучка
- Высокая повторяемость измерений.
- Большая измерительная область 14×10 мм.
- Адаптивные алгоритмы шумоподавления и калибровки.
- Широкий динамический диапазон >70 дБ.
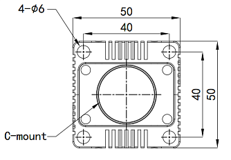
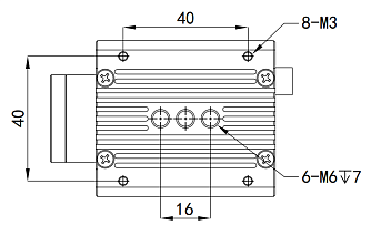
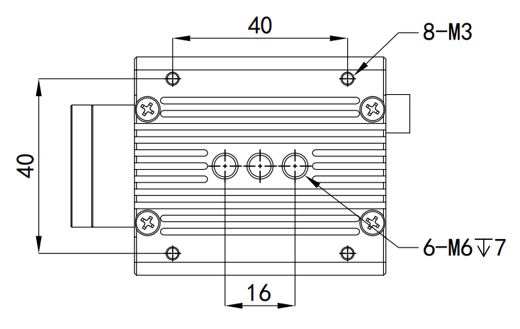
- Компактный корпус 72×50×50 мм.
- Поддержка внешних оптических аттенюаторов.
Качество лазерного пучка характеризуется множеством параметров, включая геометрические размеры пятна, распределение энергии, спектральные характеристики, поляризационные свойства и распределение фазы. В области управления оптическими полями приборы для анализа качества пучка играют важную роль.
Анализатор лазерного пучка BA1200 представляет собой измерительную систему с разрешением 12 Мп для комплексного анализа пространственно-энергетических характеристик излучения в спектральном диапазоне 400-1100 нм. Оборудование обеспечивает высокоточные измерения параметров пучка с повторяемостью позиционирования менее 1 мкм благодаря применению адаптивных алгоритмов шумоподавления и инновационной технологии калибровки. Конструкция прибора включает большую измерительную область 14×10 мм, интерфейсы USB 3.0 и внешние линии синхронизации, что позволяет интегрировать систему в различные исследовательские и производственные установки.
| Параметр | Значение | Ед. измерения |
|---|---|---|
|
Диапазон длин волн
|
400-1100 | нм |
|
Разрешение
|
4096×3000 | пикселей |
|
Частота кадров
|
до 24,5 | fps |
|
Соотношение сигнал/шум
|
>38 | дБ |
|
Диапазон измеряемых размеров пятна
|
34,5-10300 | мкм |
|
Размер пикселя
|
3,45 | мкм |
|
Формат пикселя
|
MONO8 / MONO10 / MONO10Packed |
|
|
Усиление
|
1-32 | дБ |
|
Время экспозиции
|
20-300 | мкс-мс |
|
Тип затвора
|
Global |
|
|
Интерфейс объектива
|
C-mount |
|
|
Тип сенсора
|
1,1″ CMOS |
|
|
Напряжение питания
|
9-24 | В |
|
Разрешение матрицы
|
12 | Мп |
|
Режимы синхронизации
|
Программный/аппаратный |
|
|
Минимальное рабочее расстояние
|
17,5 | мм |
|
Интерфейс ввода-вывода
|
6-контактный |
|
|
Рабочая температура
|
-30...+50 | °C |
|
Температура хранения
|
-30...+80 | °C |
|
Ослабление сигнала
|
OD 3,0 |
|
|
Масса
|
≈230 | г |
|
Габариты
|
72 × 50 × 50 | мм |
|
Интерфейс передачи данных
|
USB 3.0 |
|
|
Динамический диапазон
|
>70 | дБ |
|
Режим binning
|
Поддерживается |
|
|
Режим ROI
|
Поддерживается |
|
|
Макс. плотность мощности*
|
2,563 | Вт/см² |
|
Макс. мощность*
|
0,5 | Вт |
- Характеризация лазерных пучков.
- Оптическая диагностика в научных исследованиях.
- Производство лазеров и контроль качества.
- Контроль параметров лазера в научных задачах.
- Контроль параметров лазера в промышленных задачах.







