BA400 - анализаторы качества пучка
BA400 – анализатор лазерного пучка с увеличенной измерительной областью для работы с пучками большого диаметра.
- Большая измерительная область 11,2×11,2 мм.
- Высокое разрешение 2048×2048 пикселей.
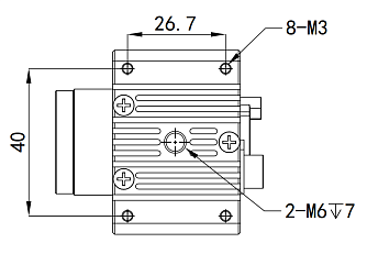
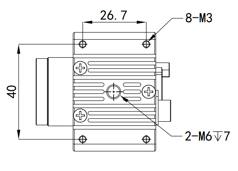
- Компактный корпус 49,6х50х50 мм.
- Питание через интерфейс USB 3.0.
Качество лазерного пучка характеризуется множеством параметров, включая геометрические размеры пятна, распределение энергии, спектральные характеристики, поляризационные свойства и распределение фазы. В области управления оптическими полями приборы для анализа качества пучка играют важную роль.
Анализатор лазерного пучка BA400 представляет собой измерительную систему с увеличенной активной областью 11,2×11,2 мм для комплексного анализа параметров излучения в спектральном диапазоне 400-1100 нм. Оборудование обеспечивает измерения пространственных и энергетических характеристик пучков диаметром от 55 мкм до 112 мм с разрешением матрицы 2048×2048 пикселей при частоте кадров до 36,5 fps. Конструкция прибора включает глобальный затвор, компактный корпус массой 160 г и питание через интерфейс USB 3.0, что обеспечивает мобильность и простоту интеграции в измерительные установки.
| Параметр | Значение | Ед. измерения |
|---|---|---|
|
Диапазон длин волн
|
400-1100 | нм |
|
Разрешение
|
2048×2048 | пикселей |
|
Частота кадров
|
до 36,5 | fps |
|
Диапазон измеряемых размеров пятна
|
0,055-11,2 | мм |
|
Соотношение сигнал/шум
|
>40,8 | дБ |
|
Размер пикселя
|
5,5 | мкм |
|
Разрядность пикселя
|
8 | бит |
|
Усиление
|
5-33 | дБ |
|
Время экспозиции
|
20-300 | мкс-мс |
|
Тип затвора
|
Global |
|
|
Интерфейс объектива
|
C-mount |
|
|
Тип сенсора
|
CMOS |
|
|
Интерфейс питания
|
USB 3.0 |
|
|
Разрешение матрицы
|
4 | Мп |
|
Режимы синхронизации
|
Программный/аппаратный |
|
|
Минимальное рабочее расстояние
|
17,5 | мм |
|
Интерфейс ввода-вывода
|
6-контактный |
|
|
Рабочая температура
|
0...+50 | °C |
|
Температура хранения
|
-30...+60 | °C |
|
Ослабление сигнала
|
OD 3,0 |
|
|
Масса
|
≈160 | г |
|
Габариты
|
49,6×50×50 | мм |
|
Интерфейс передачи данных
|
USB 3.0 Type B |
|
|
Динамический диапазон
|
60 | дБ |
|
Режим binning
|
Поддерживается |
|
|
Режим ROI
|
Поддерживается |
|
|
Мин. плотность мощности*
|
0,04 | Вт/см² |
|
Макс. мощность*
|
0,3 | мВт |
|
Макс. плотность мощности*
|
0,3 | мВт/см² |
- Характеризация лазерных пучков.
- Оптическая диагностика в научных исследованиях.
- Производство лазеров и контроль качества.
- Контроль параметров лазера в научных задачах.
- Контроль параметров лазера в промышленных задачах.







