CQDBA30 - анализаторы качества пучка
- Двухдиапазонное детектирование.
- Термоэлектрическое охлаждение.
- Возможность настройки пиковой длины волны ИК-диапазона.
- Компактный металлический корпус.
- Высокое разрешение 640×512 пикселей.
Качество лазерного пучка характеризуется множеством параметров, включая геометрические размеры пятна, распределение энергии, спектральные характеристики, поляризационные свойства и распределение фазы. В области управления оптическими полями приборы для анализа качества пучка играют важную роль.
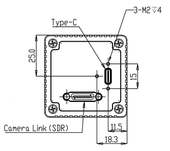
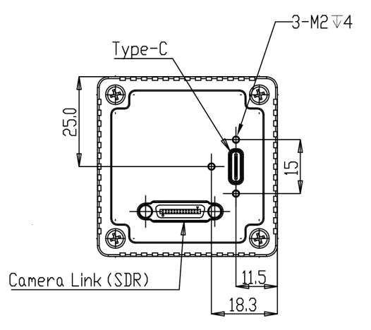
Анализатор лазерного пучка CQDBA30 представляет собой измерительную систему для комплексной характеризации параметров излучения в видимом и инфракрасном диапазонах. Оборудование обеспечивает одновременное измерение пространственных, энергетических и спектральных характеристик пучка с высоким разрешением 640×512 пикселей при частоте кадров до 56 Гц. Конструкция прибора включает систему термостабилизации матрицы и компактный герметичный корпус, что гарантирует стабильность измерений в различных эксплуатационных условиях.
| Параметр | Значение | Ед. измерения |
|---|---|---|
|
Диапазон длин волн
|
400-1700 | нм |
|
Разрешение матрицы
|
640×512 | пикселей |
|
Размер пикселя
|
15 | мкм |
|
Интерфейс передачи данных
|
Camera Link (SDR) |
|
|
Интерфейс источника питания
|
Type-C |
|
|
Потребляемая мощность
|
5 В, < 5 Вт (с включенным TEC) |
|
|
Разрядность АЦП
|
12 | бит |
|
Частота кадров
|
макс. 56, рек. 10 | Гц |
|
Рабочая температура
|
-30…+55 | °C |
|
Температура хранения
|
-40…+70 | °C |
|
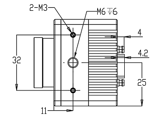
Габариты
|
50×50×48 | мм |
- Характеризация лазерных пучков.
- Оптическая диагностика в научных исследованиях.
- Производство лазеров и контроль качества.
- Контроль параметров лазера в научных задачах.
- Контроль параметров лазера в промышленных задачах.







