R1535-0.01-5-F2B - микрочиповые эрбиевые лазеры с PIN-детектором
- Длина волны: 1535 нм.
- Энергия импульса: 100 - 300 мкДж.
- Длительность импульса: 5 нс.
- Частота повторения: 10 Гц.
- Пассивная модуляция добротности.
- Безопасное для глаз излучение.
- Компактный дизайн.
- Интегрированный PIN-диод.
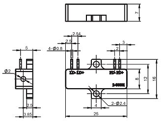
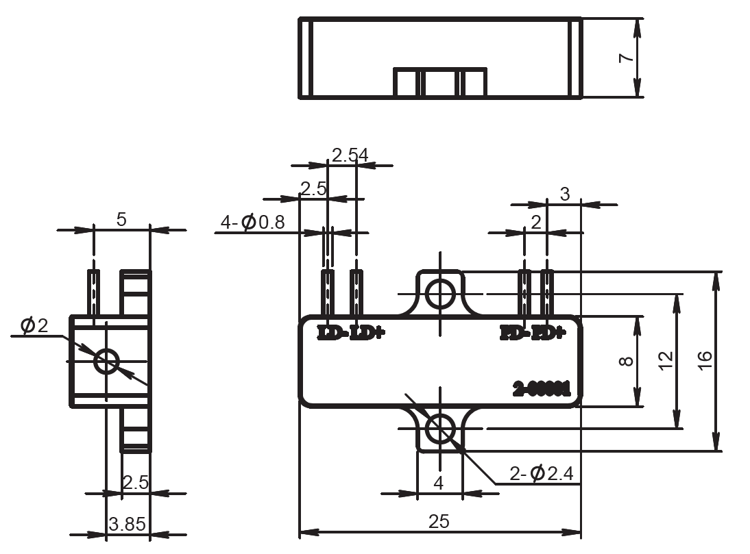
Микрочиповые лазеры RealLight на эрбиевом стекле серии R1535-0.01-5-F2B с длиной волны 1535 нм, оснащённые фотодетектором (PIN), работают в безопасном для глаз диапазоне длин волн и обладают существенными преимуществами для таких применений, как лазерная дальнометрия и лидары (LiDAR). В серии представлены три модели с энергией импульса до 100-300 мкДж. Лазеры генерируют импульсы с длительностью 5 нс с частотой следования 10 Гц. Профиль пучка соответствует TEM00, а его расходимость составляет менее 9-10 мрад. Высокая стабильность энергии: не превышает 3%. Серия этих лазеров включает встроенный фотодетектор (PIN), который обеспечивает выходной сигнал фотодиода (PD), отсутствие хвостовых импульсов, стабильную энергию импульса.
Лазеры серии R1535-0.01-5-F2B отличаются высокой надёжностью и стабильностью параметров, а также удобством интеграции в различные системы. Эти параметры обеспечивают востребованность устройств в научных исследованиях и промышленных приложениях, где важны точность, безопасность и долговременная работоспособность лазерного источника.
Модельный ряд:
- R1535-0.01-5-100-F2B: частота повторения 10 Гц, энергия импульса 100 мкДж, длительность импульса 5 нс.
- R1535-0.01-5-200-F2B: частота повторения 10 Гц, энергия импульса 200 мкДж, длительность импульса 5 нс.
- R1535-0.01-5-300-F2B: частота повторения 10 Гц, энергия импульса 300 мкДж, длительность импульса 5 нс.
| Параметр | Значение | Ед.измерения | |||
|---|---|---|---|---|---|
|
|
R1535-0.01-5-100-F2B |
R1535-0.01-5-200-F2B |
R1535-0.01-5-300-F2B |
|
|
| Длина волны | 1535 | нм | |||
|
Энергия импульса
|
100 | 200 | 300 | мкДж | |
|
Частота повторения
|
10 | Гц | |||
|
Длительность импульса
|
5 |
нс | |||
|
Профиль пучка
|
TEM00 |
|
|||
|
Амплитуда PIN-сигнала (при сопротивлении 50 Ом)
|
2 - 3 | В | |||
|
Расходимость пучка
|
10 | 9 | мрад | ||
| Стабильность энергии (RMS) | ≤ 3 | % | |||
|
Габариты
|
25×8×7 |
мм | |||
|
Вес
|
10 | г | |||
|
Температура хранения
|
от -45 до 80 | °С | |||
|
Рабочая температура
|
от -40 до 65 | °С | |||
|
Рабочий ток
|
8 | 12 | А | ||
|
Рабочее напряжение
|
2 | В | |||
- Метеорологические радары.
- Лазерные дальномеры.





