ГлавнаяКаталогПозиционеры. Трансляторы. Юстировка волокон и ФИСПьезоэлектрические позиционерыМоторизированные линейные пьезопозиционерыLS105x.Lab - линейные пьезопозиционеры для высоких нагрузок
LS105x.Lab - линейные пьезопозиционеры для высоких нагрузок
LS105x.Lab - серия платформ, осуществляющих движение по оси X с высокой нагрузкой и высоким разрешением.
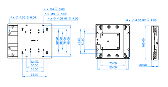
- Размеры платформы: 105 × 105 × 20 мм.
- Режим обратной связи, оптический энкодер.
- Разрешение энкодера: 2 нм.
- Минимальный размер шага: 5 нм.
- Совместимы с поворотными и наклонными платформами.
- Совместимость с контроллером MC-Newton.S.
Производитель: MULTIFIELDS TECHNOLOGIES
Пьезоплатформы LS105x.Lab поддерживают работу в режиме обратной связи и без неё. Для работы без обратной связи существует режим точной настройки, представляющий собой метод управления движением, при котором пьезоэлементы вместо непрерывной последовательности высокочастотного сигнала напряжения пилообразной формы управляются аналоговым сигналом. Благодаря высокому разрешению аналогового сигнала, платформа может достигать субнанометровой точности позиционирования. В случае управления высокочастным сигналом напряжения волнообразной формы платформа может перемещаться с минимальным шагом 5 нм. Подробнее о режимах управления пьезопозиционерами MultiFIelds в материале.
Управление осуществляется контроллерами серии MC-Newton.S.
| Параметр | Значение | Ед. Измерения | ||||||
|---|---|---|---|---|---|---|---|---|
| Исполнение |
|
|
||||||
| Стандартное1 | ✔ | |||||||
| .HV2 | ✔ | |||||||
| .UHV3 | ✔ | |||||||
| .NM4 | ✔ | |||||||
| .HV.NM5 | ✔ | |||||||
| .UHV.NM6 | ✔ | |||||||
| .E7 | ✔ | |||||||
| Размеры (Ш х Д х В) | 105 × 105 × 20 | мм | ||||||
|
Материал корпуса (стандартное, .E) |
Алюминиевый сплав, Сталь | |||||||
|
Материал корпуса (.HV, .UHV) |
Титан, Сталь | |||||||
|
Материал корпуса (немагнитное исп.) |
Титан, керамика | |||||||
|
Масса (стандартное, .E) |
630 | г | ||||||
|
Масса (.HV, .UHV) |
910 | г | ||||||
|
Масса (немагнитное исп.) |
770 | г | ||||||
| Диапазон перемещения | 60 | мм | ||||||
|
Скорость (стандартные исполнения) |
0,0001 - 20 | мм/с | ||||||
|
Скорость (.HV, .UHV) |
0,0001 - 2 | мм/с | ||||||
| Минимальный шаг | 5 | нм | ||||||
|
Минимальный шаг (.E исполнение) |
100 | нм | ||||||
| Повторяемость | ± 100 | нм | ||||||
|
Повторяемость (.E исполнение) |
± 300 | нм | ||||||
| Динамическая сила | 3 | Н | ||||||
| Удерживающая сила | 5 | Н | ||||||
| Максимальная нагрузка | 4 | кг | ||||||
| Датчик положения | ||||||||
| Тип датчика | Оптический энкодер | |||||||
|
Разрешение датчика (стандартные исполнения) |
2 (опция: 0,5) | нм | ||||||
|
Разрешение датчика (.E исполнение) |
50 | нм | ||||||
| Кабель / Разъем |
Стандартно: экранированный кабель, D-Sub15 .UHV: Kapton, PEEK D-Sub 15 |
|||||||
2) .HV - исполнение для высокого вакуума до 2E-7 мбар.
3) .UHV - исполнение для сверхвысокого вакуума до 2E-11 мбар.
4) .NM - полностью немагнитное исполнение.
5) .HV.NM - исполнение для высокого вакуума с полной немагнитностью.
6) .UHV.NM - исполнение для сверхвысокого вакуума с полной немагнитностью.
7) .E - экономичное исполнение для атмосферных условий, с пониженными характеристиками точности.
- Нанотехнологии и микросистемная техника.
- Производство интегральных схем и полупроводниковых устройств.
- Создание наноструктур.
- Научные исследования.
- Измерение высоких энергий.
- Микроскопия сверхвысокого разрешения.
- Электронная и сканирующая зондовая микроскопия.
- Дифрактометрия.






