MBP – узкополосные интерференционные лазерные фильтры
- Материал: УФ-плавленый кварц (UVFS).
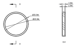
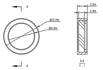
- Диаметры: 12,5 / 25 мм.
- Центральная длина волны: 15 вариантов в диапазоне 355-1064 нм.
- Пропускание: >85% / >90%.
Фильтры серии MBP представляют собой интерференционные полосовые фильтры, изготовленные с использованием технологии ионно-лучевого напыления на подложках из УФ-плавленого кварца. Точный расчет толщины диэлектрических слоев позволяет достичь высокого пропускания в узкой спектральной полосе при экстремально глубоком подавлении (>ODabs 5) во всем рабочем диапазоне 200-1200 нм. Фильтры доступны с двумя стандартными значениями полуширины (FWHM): 10±1,5 нм и 50±2 нм.
Данные фильтры предназначены для работы с коллимированным излучением при нормальном падении. В случае использования с расходящимся пучком или под углом, центральная длина волны смещается в коротковолновую область, а форма кривой пропускания изменяется. Все фильтры серии MBP предварительно установлены в черные анодированные алюминиевые оправы с крепежным кольцом. На корпус нанесена маркировка с моделью и стрелка, указывающая рекомендуемое направление падающего излучения. Такое исполнение обеспечивает простую установку в стандартные держатели (оправы, соосные монтажные пластины) и совместимость с большинством оптических систем.
Общие характеристики серии MBP
| Параметр | Значение | Ед.измерения | |
|---|---|---|---|
|
Серия
|
MBP-10 | MBP-50 | |
|
Материал
|
УФ-плавленый кварц (UVFS) | ||
|
Ширина полосы пропускания (FWHM)
|
10 ± 1,5 | 50 ± 2 | нм |
|
Диаметр
|
12,5 / 25 | 12,5 / 25 | мм |
|
Допуск по диаметру
|
+0,0 / -0,1 | мм | |
|
Толщина
|
3,5 | мм | |
|
Допуск по толщине
|
±0,1 | мм | |
|
Коэффициент пропускания
|
≥ 85% (355 нм) ≥ 90% (остальные) |
> 90% | % |
|
Допуск по центральной длине волны
|
±2 нм (для FWHM 10 нм) | ±4 нм (для FWHM 50 нм) | нм |
|
Полоса блокировки (подавления)
|
200 - 1200 | нм | |
|
Глубина блокировки (оптическая плотность)
|
ODabs > 5 | ||
|
Рабочая температура
|
-40 ~ +90 | °C | |
|
Качество обработки поверхности
|
60/40 | ||
|
Конструкция
|
Установлен в анодированную алюминиевую оправу с крепежным кольцом | ||
- Спектроскопия.
- Флуоресцентная микроскопия.
- Оптическая когерентная томография.
- Мониторинг лазерной обработки.
- Квантовая оптика.
- Оптическая связь (WDM-системы).
- Научные исследования.









