ГлавнаяКаталогПозиционеры. Трансляторы. Юстировка волокон и ФИСПьезоэлектрические позиционерыСканирующие пьезоэлектрические столикиScanner35-z - сканирующие пьезоэлектрические столики
Scanner35-z - сканирующие пьезоэлектрические столики
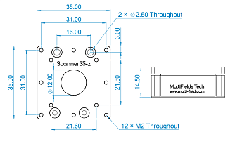
Scanner35-z - серия сканирующих пьезоэлектрических столиков.
- Размеры платформы 35 × 35 × 14,5 мм.
- Совместимы со сверхвысоким вакуумом до 2 E-11 мбар.
- Сделаны из немагнитного композита Ti & BeCu.
- Нагрузка до 500 г.
- Перемещение по оси Z до 100 мкм.
- Разрешение до 2 нм.
- Совместимость с контроллером ArchimedesLT.03.
Пьезоэлектрический сканирующий столик Scanner35-z – наиболее мощная модель в серии вертикальных сканеров, обеспечивающая перемещение до 100 мкм при 300 К и 60 мкм при 4 К. Конструкция из титана или бериллиевой меди сохраняет полную немагнитность и совместимость с магнитными полями до 35 Тл.
Модель доступна в четырёх исполнениях для работы в экстремальных условиях: стандартное высоковакуумное (.HV), низкотемпературное (.ULT), сверхвысоковакуумное (.UHV) и их комбинация (.ULT.UHV). Столик поддерживает работу в диапазоне от 10 мК до 350 К и вакууме до 2×10⁻¹¹ мбар, обеспечивая разрешение 2 нм при нагрузке до 500 г. Управление осуществляется контроллерами серии ArchimedesLT.03.
| Параметр | Значение | Ед. Измерения | |||||
|---|---|---|---|---|---|---|---|
| Исполнение | .HV* (стандартное) | .ULT** | .UHV*** | .ULT.UHV**** | |||
| Размеры (Ш х Д х В) | 35 × 35 × 14,5 | мм | |||||
| Масса | 65 | 110 | 65 | 110 | г | ||
| Условия окружающей среды | |||||||
| Температурный диапазон | 1,4 - 350 | 0,01 - 350 | 1,4 - 350 | 0,01 - 350 | К | ||
| Совместимость с вакуумом | 2E-07 | 2E-07 | 2E-11 | 2E-11 | мбар | ||
| Максимальное магнитное поле | 35 | Тл | |||||
| Опция 1 10 мК | да | да | |||||
| Опция 2 2e-11 мбар | да | да | |||||
| Материал корпуса | Ti | BeCu | Ti | BeCu | |||
| Кабель и разъем привода |
Витые спаренные провода из люминофорной бронзы, 2-мм разъем (1 × 2 пина) |
||||||
| Оси сканирования | Z | ||||||
| Диапазон перемещения при 300 К | 100 | мкм | |||||
| Диапазон перемещения при 4 К | 60 | мкм | |||||
| Напряжение привода при 300 К | 0 ... 75 | В | |||||
| Напряжение привода при 4 К | -150 ... 150 | В | |||||
| Максимальная нагрузка | 500 | г | |||||
| Емкость при 300 К | 8 | мкФ | |||||
| Разрешение датчика | 2 | нм | |||||
|
*.HV - стандартное исполнение для высокого вакуума: температура окружающей среды 1,4 - 350 К, вакуум до 2E-7 мбар. **.ULT- низкотемпературное исполнение: температура окружающей среды 10 мК - 350 К, вакуум до 2E-7 мбар. ***.UHV - исполнение для сверхвысокого вакуума: температура окружающей среды 1,4 - 350 К, вакуум до 2E-11 мбар. ****.ULT.UHV - низкотемпературное исполнение для сверхвысокого вакуума: температура окружающей среды 10 мК - 350 К, вакуум до 2E-11 мбар. |
|||||||
- Нанотехнологии и микросистемная техника.
- Производство интегральных схем и полупроводниковых устройств.
- Создание наноструктур.
- Научные исследования.
- Измерение высоких энергий.
- Микроскопия сверхвысокого разрешения.
- Электронная и сканирующая зондовая микроскопия.
- Дифрактометрия.
- Измерение диэлектрических/сегнетоэлектрических свойств, коэффициента магнитоэлектрической связи, теплопередачи, коэффициента термоЭДС, FMR (ферромагнитный резонанс).






