ГлавнаяКаталогШирокополосные источники для спектроскопииШирокополосные некогерентные источники излученияLSB-D30 - дейтериевый источник излучения
LSB-D30 - дейтериевый источник излучения
Дейтериевая лампа LSB-D30 характеризуется высокой интенсивностью излучения, хорошей стабильностью и простотой использования.
- Спектральный диапазон 200-400 нм.
- Мощность 30 Вт.
Производитель: EV
Дейтериевая лампа является источником ультрафиолетового излучения.
Особенности:
- Спектральный диапазон 200-400 нм.
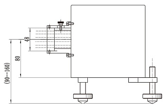
- Высота оптической оси регулируется в пределах 90-160 мм.
- Высокая стабильность выходного излучения ≤0,5%.
- Длительный срок службы 2000 часов.
- Выходная мощность 30 Вт.
- Выходной ток 0,3 А.
- Стабильность тока ≤0,05%/ч.
- Выходное напряжение 24 В постоянного тока.
| Параметр | Значение |
Ед. измерения |
|---|---|---|
|
Спектральный диапазон |
200 - 400 |
нм |
|
Диапазон регулировки высоты оптической оси |
90 - 160 | мм |
|
Мощность |
30 | Вт |
| Ток | 300 | мА |
| Напряжение | 70–90 | В |
| Диаметр излучающей области | 1 | мм |
| Напряжение зажигания | > 350 | В DC |
| Время работы | 2000 | ч |
- Флуоресценция.
- Люминесценция и фосфоресценция.
- Абсорбция.
- Фотохимия.
- Фотолитография.











