T02 - микрочиповые эрбиевые лазеры с передающей оптической системой и фотодиодом
- Длина волны: 1535 нм.
- Энергия импульса: 100 - 200 мкДж.
- Длительность импульса: 3 - 4 нс.
- Частота повторения: 10 Гц.
- Расходимость: ≤0,8 мрад.
- Пассивная модуляция добротности.
- Безопасное для глаз излучение.
- Компактный дизайн.
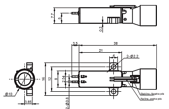
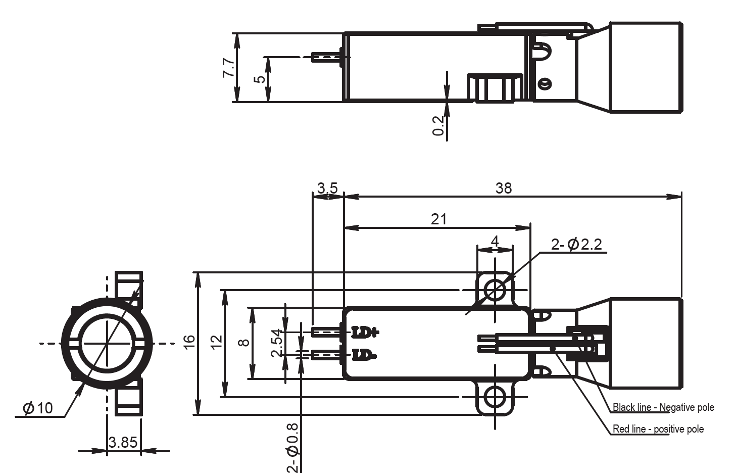
Лазеры серии T02 от компании RealLight представляют собой микрочиповые эрбиевые твердотельные лазеры с пассивной модуляцией добротности. Устройство включает передающую оптическую систему для формирования лазерного пучка и фотодиод. Рабочая длина волны составляет 1535 нм, что соответствует диапазону, безопасному для глаз, при этом обеспечивается точная синхронизация сигнала лазерного импульса. Лазеры генерируют импульсы длительностью 3 - 4 нс, а энергия импульса варьируется в пределах 100-200 мкДж (в зависимости от модели). К числу главных преимуществ относятся: компактность конструкции; малая расходимость пучка - менее 0,8 мрад. Высокая надёжность, стабильность выходных параметров и удобство интеграции в различные системы обусловили активное применение лазеров серии T02 в лидарных системах (LiDAR), лазерной дальнометрии и лазерном дистанционном зондировании. Благодаря совокупности характеристик - точности измерений, безопасности эксплуатации, долговременной работоспособности лазерного источника и низкой расходимости пучка - данная серия лазеров особенно востребована как в научных исследованиях, так и в промышленных приложениях.
- R1535-0.01-3-100-T02: частота повторения 10 Гц, энергия импульса 100 мкДж, длительность импульса 3 нс.
- R1535-0.01-4-200-T02: частота повторения 10 Гц, энергия импульса 200 мкДж, длительность импульса 4 нс.
| Параметр | Значение | Ед.измерения | |||
|---|---|---|---|---|---|
|
|
R1535-0.01-3-100-T02 |
R1535-0.01-4-200-T02 |
|
||
| Длина волны | 1535 | нм | |||
|
Коэффициент пропускания передатчика
|
≥90 | % | |||
|
Энергия импульса
|
100 |
200 |
мкДж | ||
|
Частота повторения
|
10 | Гц | |||
|
Длительность импульса
|
3 | 4 | нс | ||
|
Стабильность энергии (RMS)
|
3 | % | |||
|
Диаметр пучка
|
5 |
мм | |||
|
Расходимость пучка
|
≤0,8 |
мрад | |||
|
Профиль пучка
|
TEM00 |
|
|||
|
Амплитуда PIN-сигнала
(при сопротивлении 50 Ом) |
3 | В | |||
|
Рабочий ток
|
8 |
А | |||
|
Рабочее напряжение
|
2 | В | |||
|
Вес
|
11 | г | |||
|
Температура хранения
|
от -45 до 80 | °С | |||
|
Рабочая температура
|
от -40 до 65 | °С | |||
- Метеорологические радары.
- Лазерные дальномеры.
- Дистанционное зондирование.



