Free6D.3-2.150 - гексаподы
- Размеры Ø150 × 90 мм.
- Диапазон перемещения по осям XYZ 10 × 10 × 5 мм.
- Диапазон перемещения θXYZ 9 × 8 × 14°.
- Минимальный размер шага X, Y, Z 10 нм.
- Разрешение 2 нм.
- Варианты исполнения: стандартное; .HV; .UHV; .NM; .HV.NM; .UHV.NM.
Шестиосевой пьезоэлектрический гексапод Free6D.3-2.150 обеспечивает прецизионное позиционирование по шести степеням свободы: линейное перемещение по осям X, Y, Z и угловое по осям θX, θY, θZ. Цилиндрическая конструкция позволяет интегрировать устройство в ограниченное пространство.
Устройство поддерживает работу в режиме обратной связи и без неё. Оптический энкодер с разрешением 2 нм обеспечивает высокоточную обратную связь по положению. Минимальный шаг составляет 10 нм по линейным осям и 1 мкрад по угловым осям. Конструкция обеспечивает совместимость с вакуумом до 2×10⁻¹¹ мбар и магнитными полями до 35 Тл. Максимальная вертикальная нагрузка составляет 1 кг.
Управление осуществляется специализированным контроллером MC-Free6D.
| Параметр | Значение | Ед. Измерения | ||||||
|---|---|---|---|---|---|---|---|---|
| Модель | Free6D.3-2.150 | |||||||
| Исполнение |
|
|
||||||
| Стандартное1 | ✔ | |||||||
| .HV2 | ✔ | |||||||
| .UHV3 | ✔ | |||||||
| .NM4 | ✔ | |||||||
| .HV.NM5 | ✔ | |||||||
| .UHV.NM6 | ✔ | |||||||
|
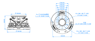
Размеры (диаметр × высота) в исходном положении |
Ø150 × 90 |
мм | ||||||
|
Размеры (диаметр × высота) в положении полного хода |
Ø155 × 100 | мм | ||||||
|
Материал корпуса (стандартное, .HV, .UHV) |
Алюминиевый сплав, Сталь | |||||||
|
Материал корпуса (немагнитное исп.) |
Титан, керамика | |||||||
|
Масса (стандартное, .HV, .UHV) |
1400 | г | ||||||
|
Масса (немагнитное исп.) |
2100 | г | ||||||
| Максимальная вертикальная нагрузка | 1000 | г | ||||||
| Сквозное отверстие (апертура) | 40 | мм | ||||||
| Диапазон перемещения X, Y | ± 10 | мм | ||||||
| Диапазон перемещения Z | ± 5 | мм | ||||||
| Диапазон перемещения θX | ± 9 | ° | ||||||
| Диапазон перемещения θY | ± 8 | ° | ||||||
| Диапазон перемещения θZ | ± 14 | ° | ||||||
| Односторонняя повторяемость X, Y | ± 0,25 | мкм | ||||||
| Односторонняя повторяемость Z | ± 0,15 | мкм | ||||||
| Односторонняя повторяемость θX, θY, θZ | ± 5 | мкрад | ||||||
| Минимальный шаг X, Y, Z | 10 | нм | ||||||
| Минимальный шаг θX, θY, θZ | 1 | мкрад | ||||||
| Датчик положения | ||||||||
| Тип датчика | Оптический энкодер | |||||||
| Разрешение датчика | 2 | нм | ||||||
| Кабель / Разъем |
Стандартно: экранированный кабель, D-Sub15 .UHV: Kapton, PEEK D-Sub 15 |
|||||||
2) .HV - исполнение для высокого вакуума до 2E-7 мбар.
3) .UHV - исполнение для сверхвысокого вакуума до 2E-11 мбар.
4) .NM - полностью немагнитное исполнение.
5) .HV.NM - исполнение для высокого вакуума с полной немагнитностью.
6) .UHV.NM - исполнение для сверхвысокого вакуума с полной немагнитностью.
Контроллер MC-Free6D
| Параметр | Значение | Ед. Измерения | ||||||
|---|---|---|---|---|---|---|---|---|
| Функции контроллера | Управление позиционированием | |||||||
| Метод управления |
Управление блоками с помощью режима обратной связи с оптическим энкодером |
|||||||
| Размеры контроллера | 200 × 200 × 140 | мм | ||||||
| Вес контроллера | 2,7 | кг | ||||||
| Источник питания | 24 | В | ||||||
| Максимальная выходная частота | 20 | кГц | ||||||
| Максимальная выходная мощность | 100 | Вт | ||||||
| Рабочая температура | 0 - 50 | ℃ | ||||||
| Относительная влажность воздуха | < 70 | % | ||||||
| Количество каналов управления | 6 | |||||||
| Интерфейс | USB Type-C, EtherNet, EtherCAT (по запросу) | |||||||
| Программное обеспечение | PC GUI, SDK | |||||||
- Нанотехнологии и микросистемная техника.
- Производство интегральных схем и полупроводниковых устройств.
- Создание наноструктур.
- Научные исследования.
- Измерение высоких энергий.
- Микроскопия сверхвысокого разрешения.
- Электронная и сканирующая зондовая микроскопия.
- Дифрактометрия.





