ГлавнаяКаталогПозиционеры. Трансляторы. Юстировка волокон и ФИСПьезоэлектрические позиционерыМоторизированные линейные пьезопозиционерыLSx.Force - линейные пьезопозиционеры
LSx.Force - линейные пьезопозиционеры
LSx.Force - серия платформ, осуществляющих движение по оси X с высокой нагрузкой и высоким разрешением.
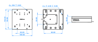
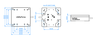
- Размеры платформы: 65 × 65 × 20 / 105 × 105 × 30 мм.
- Режим обратной связи, оптический энкодер.
- Разрешение энкодера 2 нм.
- Минимальный размер шага ~ 2 нм.
Производитель: MULTIFIELDS TECHNOLOGIES
Пьезоплатформы LS65x.Force и LS105x.Force поддерживают работу в режиме обратной связи и без неё. Для работы без обратной связи существует режим точной настройки, представляющий собой метод управления движением, при котором пьезоэлементы вместо непрерывной последовательности высокочастотного сигнала напряжения пилообразной формы управляются аналоговым сигналом. Благодаря высокому разрешению аналогового сигнала, платформа может достигать субнанометровой точности позиционирования. В случае управления высоковольтным сигналом напряжения волнообразной формы платформа может перемещаться с минимальным шагом 2 нм в разомкнутом контуре и 5 нм в замкнутом контуре. Подробнее о режимах управления пьезопозиционерами MultiFields в материале.
| Параметр | Значение | Ед. Измерения | ||||||
|---|---|---|---|---|---|---|---|---|
| Модель | LS65x.Force | LS105x.Force | ||||||
| Исполнение |
|
|
|
|||||
| Стандартное1 | ✔ | ✔ | ||||||
| .HV2 | ✔ | ✔ | ||||||
| .UHV3 | ✔ | ✔ | ||||||
| .NM4 | ✔ | ✔ | ||||||
| .HV.NM5 | ✔ | ✔ | ||||||
| .UHV.NM6 | ✔ | ✔ | ||||||
| Размеры (Ш х Д х В) | 65 × 65 × 20 | 105 × 105 × 30 | мм | |||||
|
Материал корпуса (стандартное, .HV, .UHV) |
Сталь | |||||||
|
Материал корпуса (немагнитное исп.) |
Титан, керамика | |||||||
|
Масса (стандартное, .HV, .UHV) |
550 | 2000 | г | |||||
|
Масса (немагнитное исп.) |
300 | 1200 | г | |||||
| Диапазон перемещения | 30 | 60 | мм | |||||
|
Скорость (стандартные исполнения) |
0,1 - 1 | мм/с | ||||||
|
Скорость (.HV, .UHV) |
рекомендуемая 0,3 | мм/с | ||||||
| Минимальный шаг (замкнутый контур) | 5 | нм | ||||||
| Минимальный шаг (разомкнутый контур) | 2 | нм | ||||||
| Разрешение датчика (разомкнутый контур) | 0,02 | нм | ||||||
| Повторяемость | ± 125 | нм | ||||||
| Динамическая сила | 30 | 60 | Н | |||||
| Удерживающая сила | 40 | 80 | Н | |||||
| Максимальная нагрузка (горизонтально) | 5 | 10 | кг | |||||
| Максимальная нагрузка (вертикально) | 3 | 6 | кг | |||||
| Датчик положения | ||||||||
| Тип датчика | Оптический энкодер | |||||||
| Разрешение датчика | 2 | нм | ||||||
| Кабель / Разъем |
Стандартно: экранированный кабель, D-Sub15 .UHV: Kapton, PEEK D-Sub 15 |
|||||||
2) .HV - исполнение для высокого вакуума до 2E-7 мбар.
3) .UHV - исполнение для сверхвысокого вакуума до 2E-11 мбар.
4) .NM - полностью немагнитное исполнение.
5) .HV.NM - исполнение для высокого вакуума с полной немагнитностью.
6) .UHV.NM - исполнение для сверхвысокого вакуума с полной немагнитностью.
- Нанотехнологии и микросистемная техника.
- Производство интегральных схем и полупроводниковых устройств.
- Создание наноструктур.
- Научные исследования.
- Измерение высоких энергий.
- Микроскопия сверхвысокого разрешения.
- Электронная и сканирующая зондовая микроскопия.
- Дифрактометрия.
LSx.Force - линейные пьезопозиционеры 229.98(Kб)









