ГлавнаяКаталогПозиционеры. Трансляторы. Юстировка волокон и ФИСПьезоэлектрические позиционерыМоторизированные поворотные пьезопозиционерыRS35.Lab - поворотные пьезопозиционеры
RS35.Lab - поворотные пьезопозиционеры
RS35.Lab - серия поворотных платформ компактного размера для комнатной температуры с оптическим датчиком определения положения.
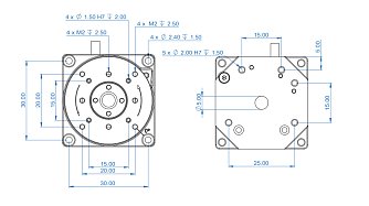
- Размеры 35 × 35 × 11 мм.
- Режим обратной связи, оптический энкодер.
- Разрешение 0,2 мкрад (по умолчанию), 3 мкрад (для исполнения .E).
- Минимальный размер шага < 3 мкрад.
- Доступны адаптеры для создания многоосевых сборок.
- Совместимы с поворотными и наклонными платформами.
- Совместимость с контроллером MC-Newton.S.
Производитель: MULTIFIELDS TECHNOLOGIES
Пьезопозиционеры RS35.Lab поддерживают работу в режиме обратной связи и без неё. Для работы без обратной связи существует режим точной настройки, представляющий собой метод управления движением, при котором пьезоэлементы вместо непрерывной последовательности высокочастотного сигнала напряжения пилообразной формы управляются аналоговым сигналом. В случае управления высоковольтным сигналом напряжения волнообразной формы платформа может перемещаться с минимальным шагом 3 мкрад (10 мкрад для исполнения .E). Подробнее о режимах управления пьезопозиционерами MultiFields в материале.
Управление осуществляется контроллерами серии MC-Newton.S.
| Параметр | Значение | Ед. Измерения | ||||||
|---|---|---|---|---|---|---|---|---|
| Исполнение |
|
|
||||||
| Стандартное1 | ✔ | |||||||
| .HV2 | ✔ | |||||||
| .UHV3 | ✔ | |||||||
| .NM4 | ✔ | |||||||
| .HV.NM5 | ✔ | |||||||
| .UHV.NM6 | ✔ | |||||||
| .E7 | ✔ | |||||||
| Размеры (Ш х Д х В) | 35 × 35 × 11 | мм | ||||||
| Диаметр движущейся платформы | 33,5 | мм | ||||||
| Апертура | 5 | мм | ||||||
|
Материал корпуса (стандартное исп., .HV, .UHV, .E) |
Сталь |
|||||||
|
Материал корпуса (немагнитное исп.) |
Титан, керамика | |||||||
|
Масса
(стандартное исп., .HV, .UHV, .E) |
70 | г | ||||||
|
Масса
(немагнитное исп.) |
90 | г | ||||||
| Диапазон перемещения | 360° | ° | ||||||
| Скорость | 0,0005 - 45 | °/с | ||||||
| Минимальный шаг | 3 | мкрад | ||||||
|
Минимальный шаг (.E исполнение) |
10 | мкрад | ||||||
| Повторяемость | ± 7,5 | мкрад | ||||||
|
Повторяемость (.E исполнение) |
± 25 | мкрад | ||||||
| Вращающий момент | 20 | Н·мм | ||||||
| Удерживающий момент | 50 | Н·мм | ||||||
| Максимальная нагрузка | 500 | г | ||||||
| Датчик положения | ||||||||
| Тип датчика | Оптический энкодер | |||||||
|
Разрешение датчика (стандартные исполнения) |
0,2 | мкрад | ||||||
|
Разрешение датчика (.E исполнение) |
3 | мкрад | ||||||
| Кабель / Разъем |
Стандартно: экранированный кабель, D-Sub15 .UHV: kapton, PEEK D-Sub 15 |
|||||||
2) .HV - исполнение для высокого вакуума до 2E-7 мбар.
3) .UHV - исполнение для сверхвысокого вакуума до 2E-11 мбар.
4) .NM - полностью немагнитное исполнение.
5) .HV.NM - исполнение для высокого вакуума с полной немагнитностью.
6) .UHV.NM - исполнение для сверхвысокого вакуума с полной немагнитностью.
7) .E - экономичное исполнение для атмосферных условий, с пониженными характеристиками точности.
- Нанотехнологии и микросистемная техника.
- Производство интегральных схем и полупроводниковых устройств.
- Создание наноструктур.
- Научные исследования.
- Измерение высоких энергий.
- Микроскопия сверхвысокого разрешения.
- Электронная и сканирующая зондовая микроскопия.
- Дифрактометрия.
RS35.Lab - поворотные пьезопозиционеры 286.62(Kб)








