PTP09-KIT - набор пьезоэлектрических винтов с контроллером
- Диапазон перемещения: 9 мм.
- Размер шага: 10-30 нм.
- Осевая нагрузка: 30 Н.
- Самоблокировка при отключении питания.
- Управление через USB/RS485.
PTP09-KIT – это комплект, включающий два пьезоэлектрических винта и контроллер, предназначенный для точного позиционирования в компактных оптических и наномеханических системах. Устройство обеспечивает линейное перемещение до 9 мм при шаге от 10 до 30 нм и максимальной осевой нагрузке 30 Н.
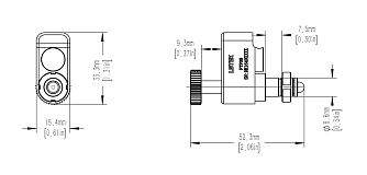
Благодаря пьезоэлектрическому приводу винт отличается высокой стабильностью, нанометровым разрешением и функцией самоблокировки при отключении питания, что особенно важно для «run-to-lock»-приложений. Корпус из нержавеющей стали имеет гладкий посадочный диаметр Ø8.6 мм для прямой интеграции в держатели оптики и линейные столики. Управление осуществляется через контроллер с интерфейсом USB или RS485, позволяющий гибко регулировать шаг в пределах ±20% от номинального значения.
| Параметр | Значение | Ед.измерения | |||
|---|---|---|---|---|---|
|
Перемещение
|
9 | мм | |||
| Скорость | 1 | мм/мин | |||
|
Размер шага
|
10 - 30 | нм | |||
|
Осевая нагрузка
|
30 | Н | |||
|
Частота
|
2,2 | кГц | |||
|
Выходной крутящий момент
|
0,018 | Н·м | |||
|
Установочный диаметр
|
Ø8,6 | мм | |||
|
Интерфейс подключения
|
RJ11 (4 pin) | ||||
|
Срок службы
|
>1∙10⁹ | шагов | |||
|
Контроллер (в комплекте)
|
|
|
|||
|
Интерфейс управления
|
USB / RS485 |
|
|||
|
Питание контроллера
|
DC 12 В |
|
|||
- Нанотехнологии и микросистемная техника.
- Производство интегральных схем и полупроводниковых устройств.
- Создание наноструктур.
- Научные исследования.
- Измерение высоких энергий.
- Микроскопия сверхвысокого разрешения.
- Электронная и сканирующая зондовая микроскопия.
- Дифрактометрия.



