ГлавнаяКаталогОптические модуляторы. Электрооптика. АкустооптикаПространственные модуляторы света SLM (LCOS, DMD)Пространственные модуляторы света на жидких кристаллах (LCOS)SSP-SLM-36-180-4K-PCIe - многоканальная система с 4К разрешением
SSP-SLM-36-180-4K-PCIe - многоканальная система с 4К разрешением
Многоканальная система пространственных модуляторов света (SLM) на базе LCoS SSP-SLM-36-180-4K-PCIe с 4K HD разрешением.
- Разрешение: 4096 × 2240.
- Частота кадров: 180 Гц.
- Размер пикселя: 3,6 мкм.
- Видимый (опционально - инфракрасный) диапазон длин волн.
- Поставляется с ПО.
SSP-SLM-36-180-4K-PCIe - это высокопроизводительная многоканальная система пространственных модуляторов света (SLM) на базе технологии LCoS, построенная на основе интерфейса PCIe. Система предназначена для синхронного управления массивом из четырех 4K2K модуляторов, объединяя их в единый дисплей с разрешением до 8K4K. Обеспечивает точную синхронизацию каналов и высокую скорость передачи данных, что идеально для задач голографии, оптических вычислений и исследований светового поля. К совместимым моделям относятся SSP-SLM-36-180-4K и SSP-SP-SLM-36-180-4K-AM.
Особенности:- Разрешение 4K HD.
- Малый размер пикселя.
- Большой угол дифракции.
- Сверхвысокая производительность.
- Физическая оптика.
- Дифракционная оптика.
- Цифровая голография.
- Вихревой пучок.
- Бездифракционный луч.
- Цветная динамическая голография.
- Измерение оптоэлектронных свойств жидких кристаллов.
- Вычислительная фантомная визуализация.
- Моделирование турбулентности.
- Модуляция светового поля.
| Параметр |
SPSLM36R-PCle |
Ед. измерения | |
|---|---|---|---|
| Тип | Фазовый / Амплитудный |
|
|
| Интерфейс подключения | PCIe 3.0×8 |
|
|
| Интерфейс вывода данных | 4×LVDS | Гц | |
| Интерфейс синхронизации | Вход: 4×TTL; Выход: 4×TTL | мкм | |
| Питание | 12 | В | |
| Потребляемая мощность | <100 | бит | |
| Разъемы питания | PCIe и специальный 6-контактный разъем компьютера |
|
|
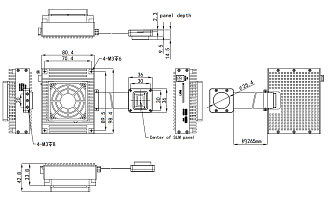
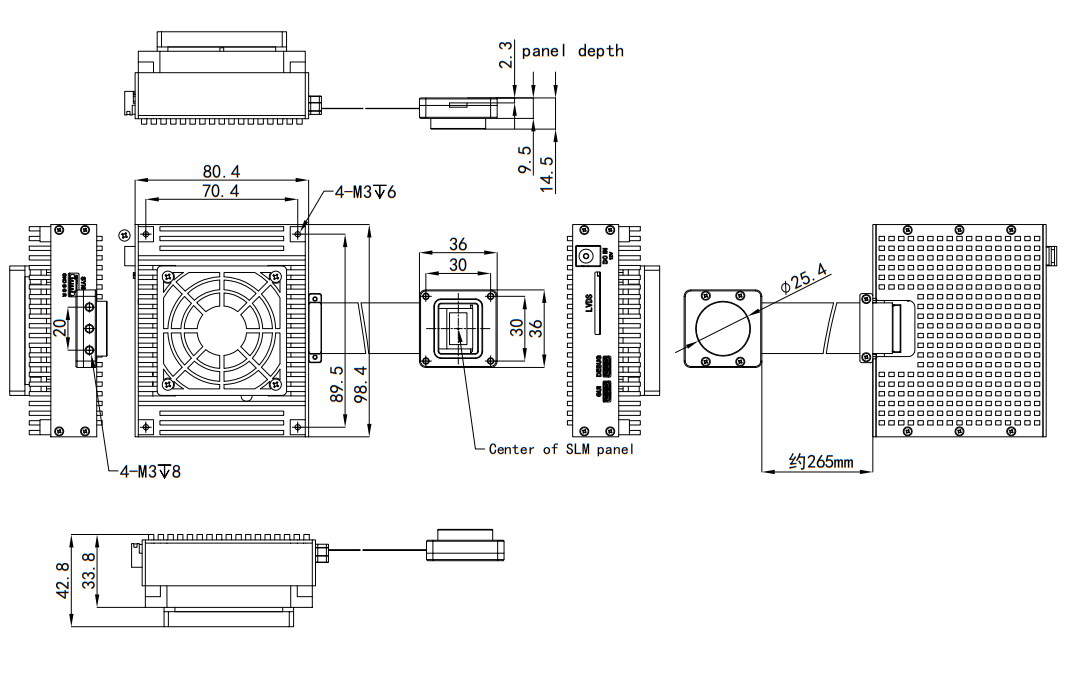
| Размер | 205,5×110,2 | мм | |
- Модуляция излучения.
- Голография (отображение голографии, голографическая память, голографические записи и системы безопасности, включая цифровую голографию).
- Изображения сверхвысокого разрешения.
- Лазерная обработка.
- 3D печать.
- Оптическая связь в свободном пространстве.
- Вычислительная голография.
- Голографическое хранилище.
- Когерентная модуляция волнового фронта.
- Сдвиг фаз.
- Оптический пинцет.





