SSP-DMD-108-95-S - пространственные модуляторы света на базе DMD
- Рабочий диапазон длин волн: 400 - 700 нм.
- Разрешение: 1920×1080.
- Диагональ микрозеркала: 0,95".
- Разрядность: 1 - 16 бит.
- Максимальная частота кадров: 20746 Гц / 617 Гц / 3 Гц (1/8/16 бит).
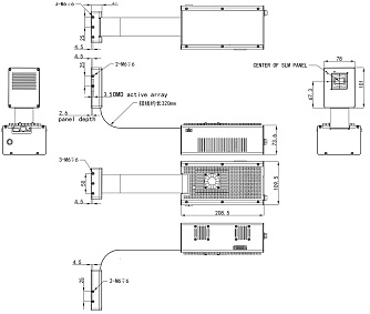
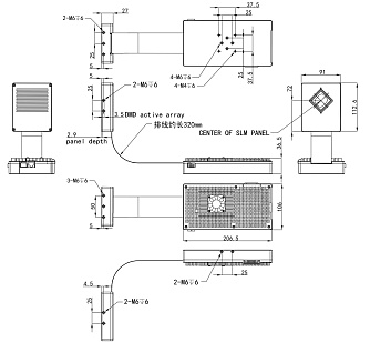
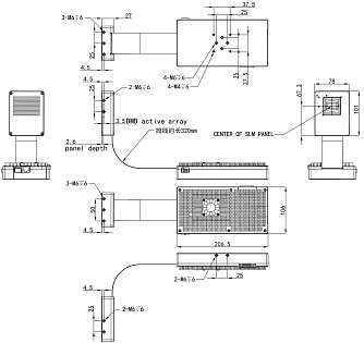
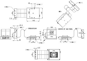
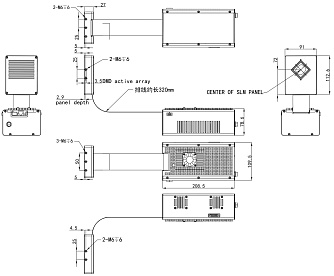
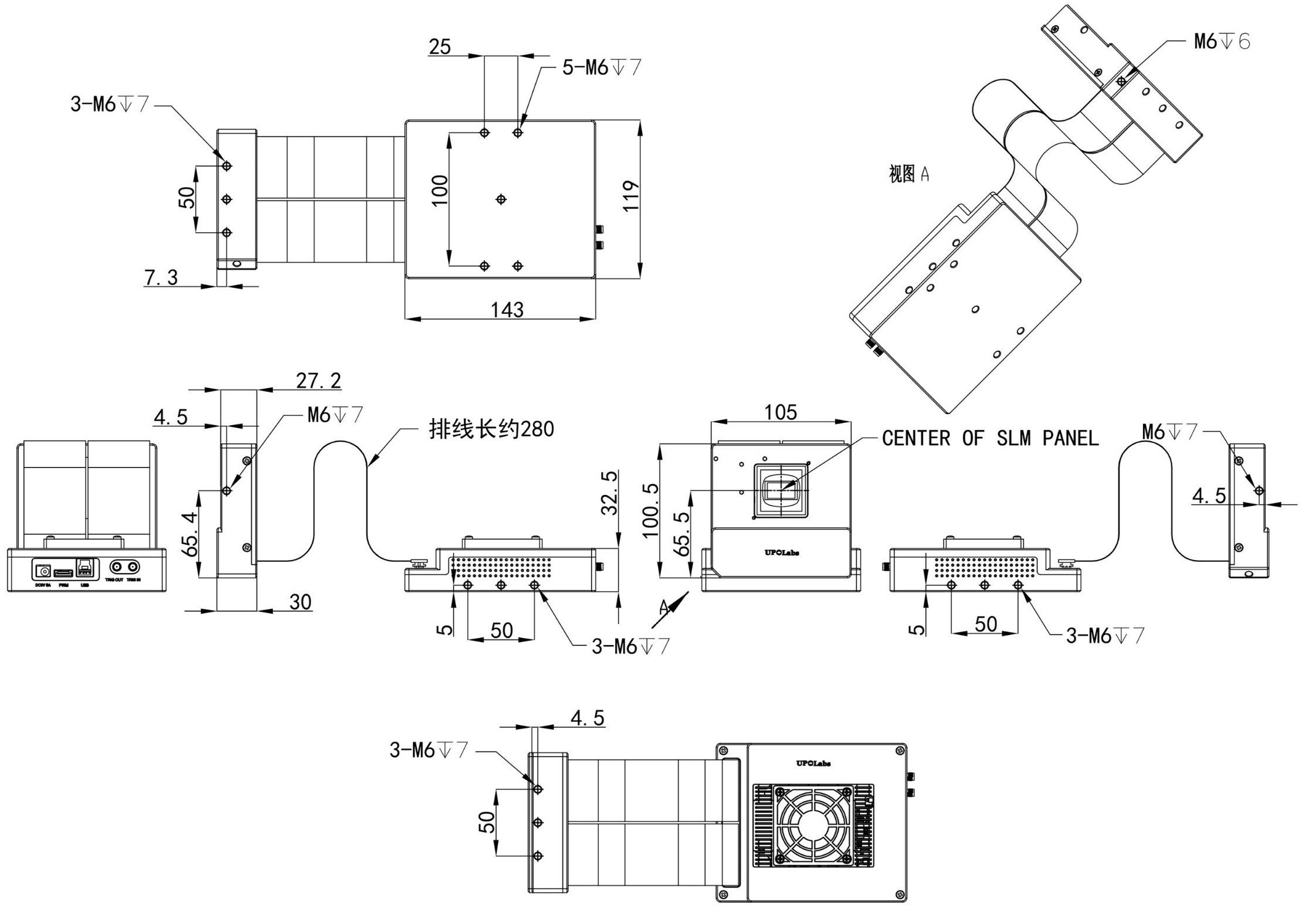
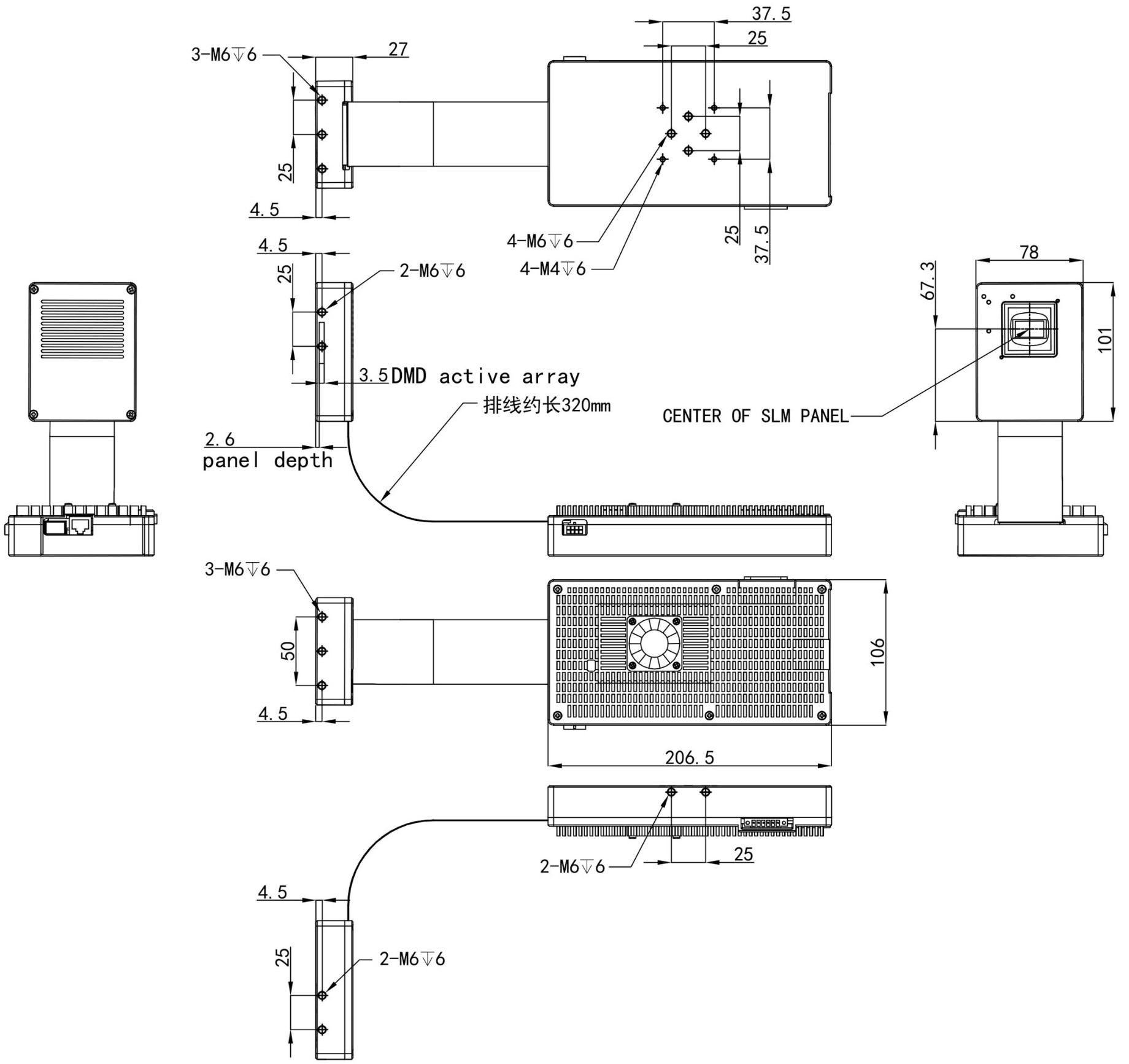
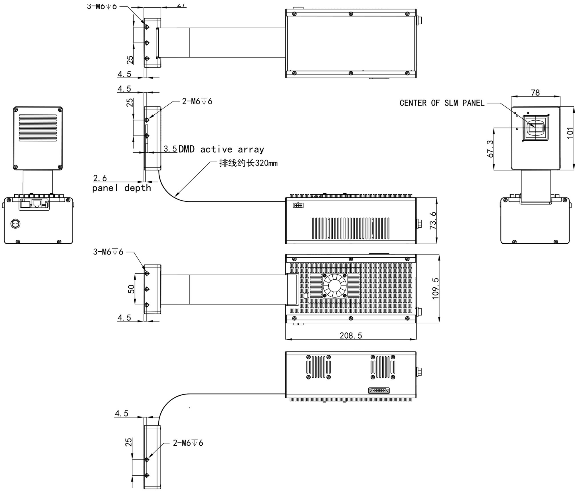
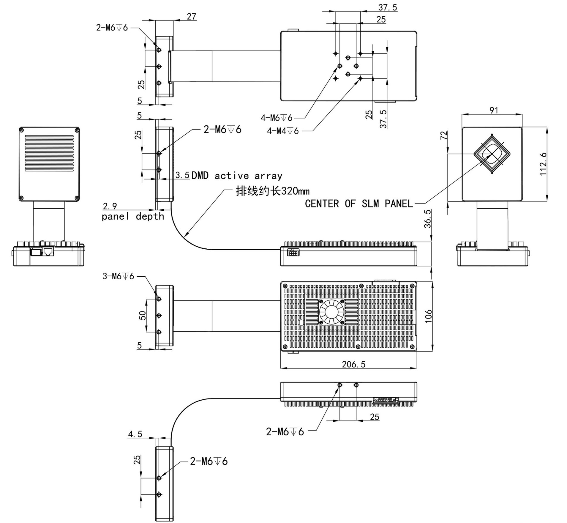
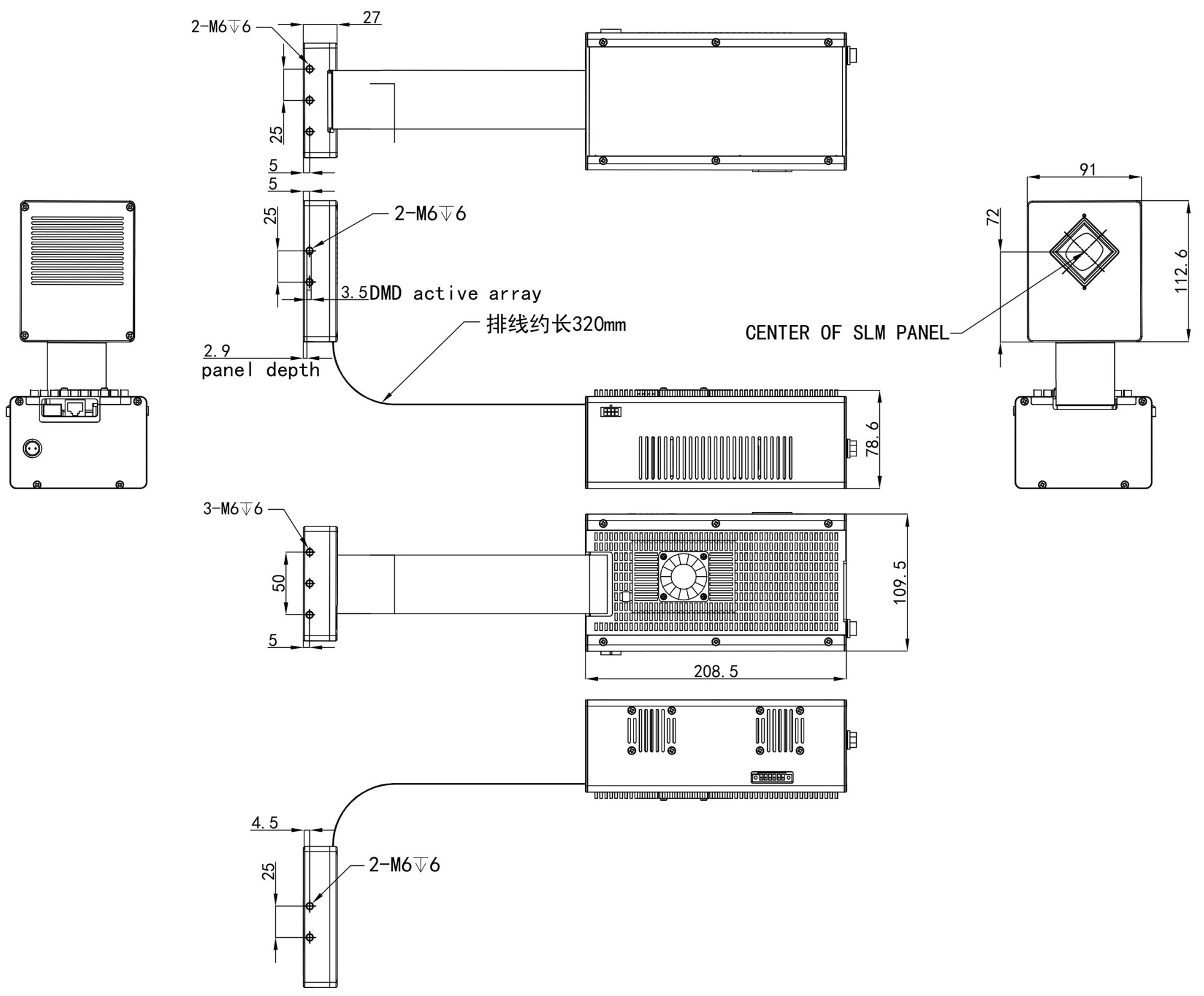
В пространственных модуляторах света на базе DMD серии SSP-DMD-108-95-S используются чипы DLP7000UV и DLPC410. Устройства имеют разрешение 1924×1080, размер пикселя 10,8 мкм и диагональ микрозеркала 0,95 дюйма. Они предназначены для работы в спектральном диапазоне от 400 до 700 нм. Модуляторы позволяют устанавливать разрядность данных от 1 до 16 бит и обеспечивают максимальную частоту кадров более 20 кГц.
Пространственные модуляторы света на базе DMD серии SSP-DMD-108-95-S выпускаются в трёх моделях:
- SSP-DMD-108-95-S-DDR: сверхвысокоскоростная модель.
- SSP-DMD-108-95-S-Smart: интеллектуальная сверхвысокоскоростная модель, оснащенная интеллектуальными алгоритмами.
- SSP-DMD-108-95-S-SSD: модель со встроенным SSD-накопителем.
Модуляторы обеспечивают высокую скорость обработки графики и высокопроизводительную пространственную модуляцию света, что делает их идеальным выбором для широкого спектра промышленных, медицинских и передовых дисплейных приложений.
| Параметр | SSP-DMD-108-95-S-DDR | SSP-DMD-108-95-S-Smart | SSP-DMD-108-95-S-SSD | Ед. измерения |
|---|---|---|---|---|
|
Разрешение
|
1920×1080 |
|
||
|
Размер пикселя
|
10,8 | мкм | ||
|
Диапазон длин волн
|
400 - 700 | нм | ||
|
Диагональ
|
0,95 | " | ||
|
Коэффициент отражения
|
89 | % | ||
|
Дифракционная эффективность
|
87 | % | ||
|
Частота кадров (1 бит / 8 бит / 16 бит)
|
20746 / 617/ 3 | Гц | ||
|
Коэффициент заполнения
|
94 | % | ||
|
Разрядность данных
|
1 - 16 | бит | ||
|
Объем RAM
|
16 | 8 | Гбайт | |
|
SSD
|
/ | 3T / 6T / 12T |
|
|
|
Исполнение
|
Горизонтальный / под углом 45° | Горизонтальный | Горизонтальный/ под углом 45° | |
|
Интерфейс/ Подключение к ПК
|
USB 3.0 |
|
||
- 3D сканер.
- 3D печать.
- Литография прямого изображения.
- Лазерная маркировка и ремонт.
- Офтальмология.
- Гиперспектральная визуализация.
- Гиперспектральное сканирование.
- 3D микроскоп.
- Умное и адаптивное освещение.















