ГлавнаяКаталогОптические модуляторы. Электрооптика. АкустооптикаПространственные модуляторы света SLM (LCOS, DMD)Пространственные модуляторы света с матрицей цифровых микрозеркальных устройств (DMD)SSP-DMD-756-65 - пространственный модулятор света на базе DMD
SSP-DMD-756-65 - пространственный модулятор света на базе DMD
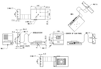
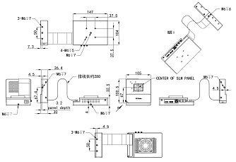
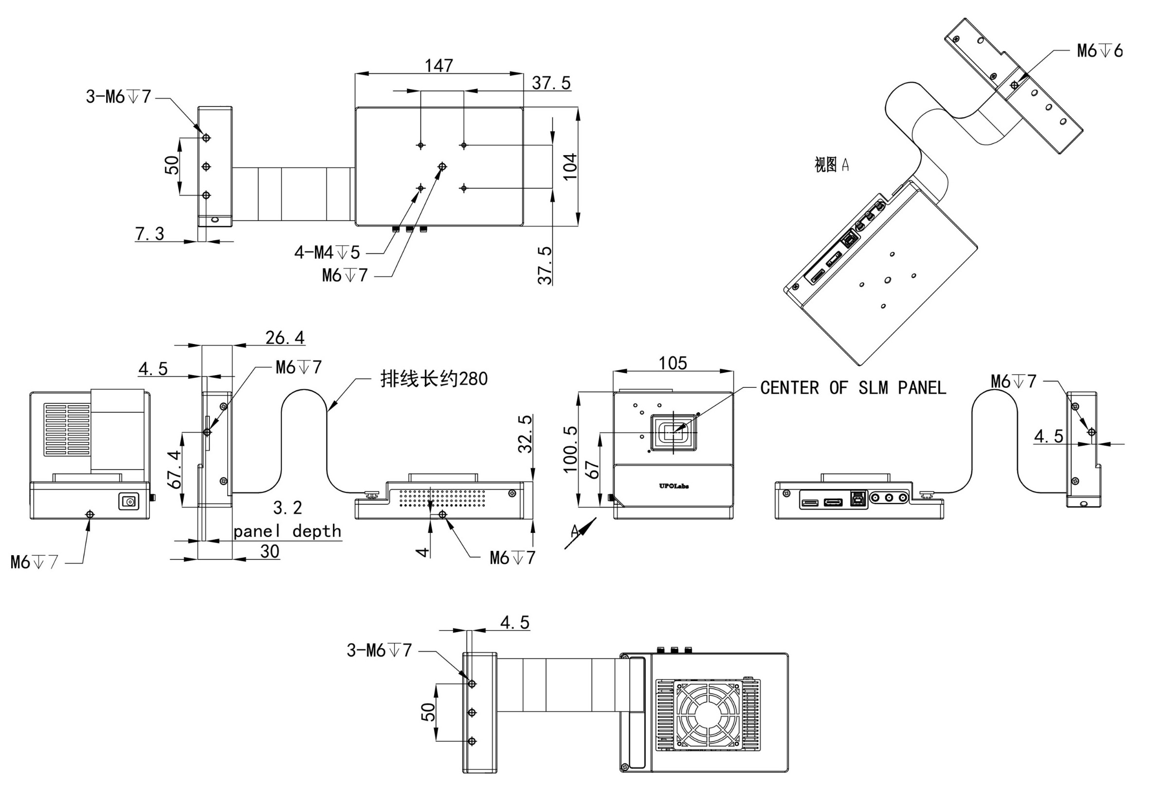
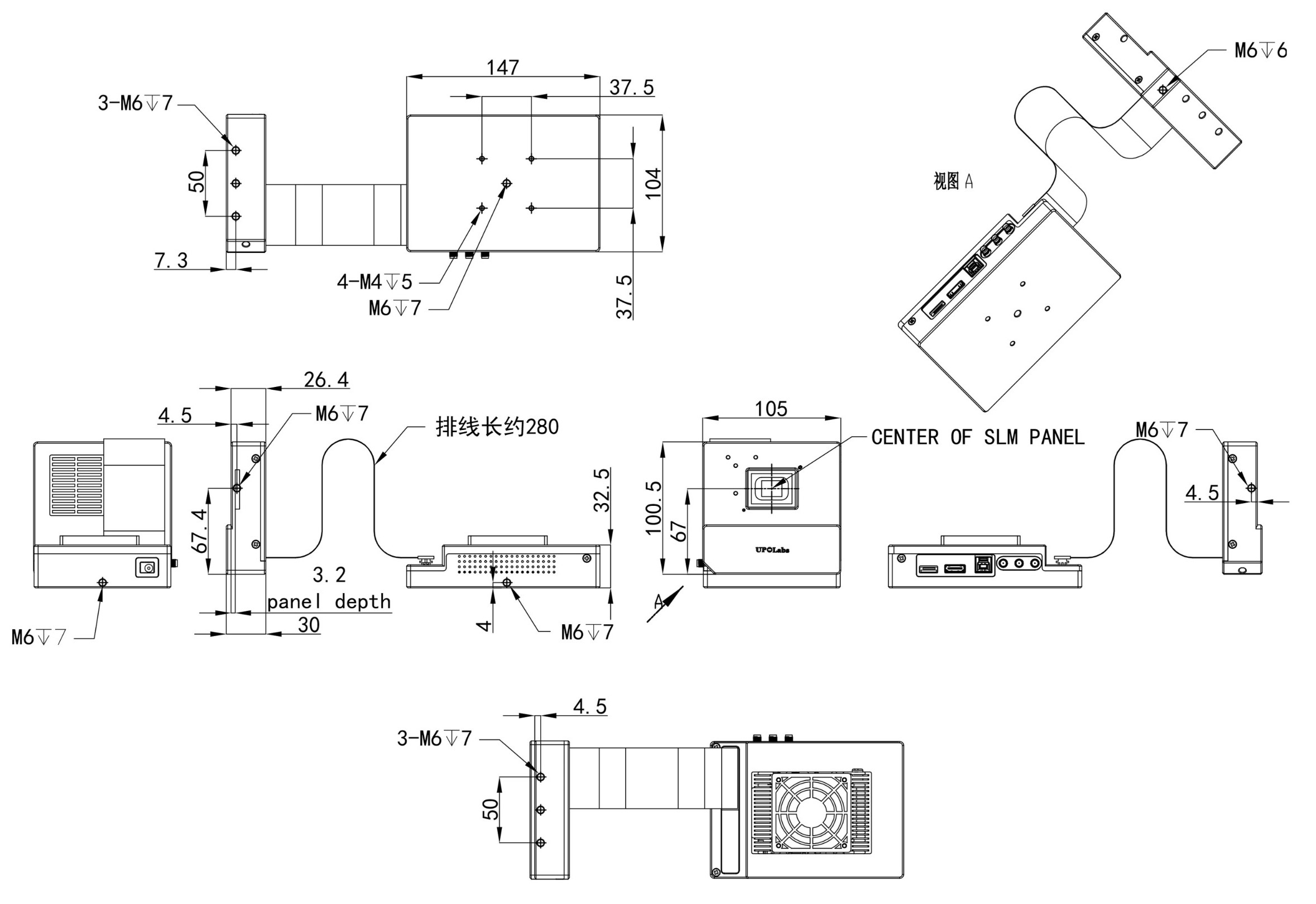
Пространственный модулятор света SSP-DMD-756-65 на базе чипов DLPC910 и DLP6500FYE обеспечивает высокое разрешение.
- Рабочий диапазон длин волн: 420 - 700 нм.
- Разрешение: 1920×1080.
- Диагональ микрозеркала: 0,65".
- Разрядность: 1 - 16 бит.
- Максимальная частота кадров (1 бит / 8 бит/ 16 бит): 10940/ 508/ 3 Гц.
Пространственные модуляторы света SSP-DMD-756-65 на базе DMD, оснащённые чипами DLPC910, DLP6500FYE, обеспечивают высокое разрешение 1920×1080 при размере пикселя 7,56 мкм. Эти устройства, предназначенные для работы в диапазоне длин волн от 420 до 700 нм, поддерживают разрядность данных от 1 до 16 бит и достигают максимальной частоты кадров 10940 Гц.
Пространственные модуляторы света на базе DMD серии SSP-DMD-756-65 выпускаются в четырех моделях:
- SSP-DMD-756-65: стандартная модель.
- SSP-DMD-756-65-DDR: сверхвысокоскоростная модель.
- SSP-DMD-756-65-Smart: интеллектуальная сверхвысокоскоростная модель, оснащенная интеллектуальными алгоритмами.
- SSP-DMD-756-65-EMMC: модель с встроенным ЕMMC-накопителем.
Модуляторы обеспечивают высокую скорость обработки графики и высокопроизводительную пространственную модуляцию света, что делает их идеальным выбором для широкого спектра промышленных, медицинских и передовых дисплейных приложений.
| Параметр | SSP-DMD-756-65 | SSP-DMD-756-65-DDR | SSP-DMD-756-65-Smart | SSP-DMD-756-65-EMMC | Ед. измерения |
|---|---|---|---|---|---|
| Разрешение | 1920×1080 | ||||
|
Размер пикселя
|
7,56 | мкм | |||
|
Диапазон длин волн
|
420 - 700 | нм | |||
|
Диагональ микрозеркала
|
0,65 | " | |||
|
Угол наклона микрозеркала
|
±12 | ° | |||
|
Коэффициент отражения
|
88 | % | |||
|
Дифракционная эффективность
|
86 | % | |||
|
Частота кадров (1 бит / 8 бит / 16 бит)
|
10940/ 508/ 3 |
Гц | |||
|
Коэффициент заполнения
|
92 | % | |||
|
Разрядность данных
|
1 - 16 | бит | |||
|
Объем памяти
|
384 Мбит | 16 ГБ | |||
|
EMMC
|
/ | 32 | ГБ | ||
|
Интерфейс/ Подключение к ПК
|
USB 3.0 + HDMI | ||||
- 3D сканер.
- 3D печать.
- Литография прямого изображения.
- Лазерная маркировка и ремонт.
- Офтальмология.
- Гиперспектральная визуализация.
- Гиперспектральное сканирование.
- 3D микроскоп.
- Умное и адаптивное освещение.







