ГлавнаяКаталогОптические модуляторы. Электрооптика. АкустооптикаПространственные модуляторы света SLM (LCOS, DMD)Пространственные модуляторы света с матрицей цифровых микрозеркальных устройств (DMD)SSP-DMD-756-90-S - пространственные модуляторы света на базе DMD
SSP-DMD-756-90-S - пространственные модуляторы света на базе DMD
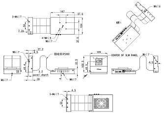
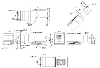
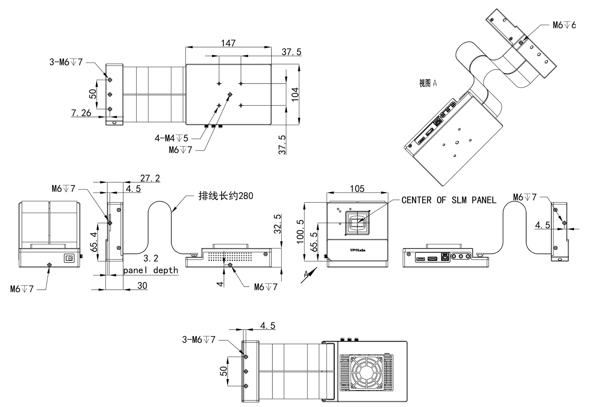
Пространственные модуляторы света SSP-DMD-756-90-S на базе чипов DLP9000X и DLPC910.
- Рабочий диапазон длин волн 400 - 700 нм.
- Разрешение: 2560×1600.
- Диагональ микрозеркала: 0,9".
- Разрядность: 1 - 16 бит.
- Максимальная частота кадров: 11764 /522 /31 Гц (1/8/16 бит).
Пространственные модуляторы света SSP-DMD-756-90-S на базе DMD, оснащённые чипами DLP9000X и DLPC910, обеспечивают высокое разрешение 2560×1600 при размере пикселя 7,56 мкм. Эти устройства, предназначенные для работы в диапазоне длин волн от 400 до 700 нм, поддерживают разрядность данных от 1 до 16 бит и достигают максимальной частоты кадров 11764 Гц.
Пространственные модуляторы света на базе DMD серии SSP-DMD-756-90-S выпускаются в трёх моделях:
- SSP-DMD-756-90-S-DDR: сверхвысокоскоростная модель.
- SSP-DMD-756-90-S-Smart: интеллектуальная сверхвысокоскоростная модель, оснащенная интеллектуальными алгоритмами.
- SSP-DMD-756-90-S-SSD: модель с встроенным SSD-накопителем.
Модуляторы обеспечивают высокую скорость обработки графики и высокопроизводительную пространственную модуляцию света, что делает их идеальным выбором для широкого спектра промышленных, медицинских и передовых дисплейных приложений.
| Параметр | SSP-DMD-756-90-S-DDR | SSP-DMD-756-90-S-Smart | SSP-DMD-756-90-S-SSD | Ед. измерения | ||
|---|---|---|---|---|---|---|
|
Разрешение
|
2560×1600 |
|
||||
|
Размер пикселя
|
7,56 | мкм | ||||
|
Диапазон длин волн
|
400 - 700 | нм | ||||
|
Диагональ микрозеркала
|
0,9 | " | ||||
|
Угол наклона микрозеркала |
± 12 | ° | ||||
|
Коэффициент отражения
|
88 | % | ||||
|
Дифракционная эффективность
|
86 | % | ||||
|
Частота кадров (1 бит / 8 бит / 16 бит)
|
11764 /522 /31 | Гц | ||||
|
Коэффициент заполнения
|
92 | % | ||||
|
Разрядность данных
|
1 - 16 | бит | ||||
|
Объем RAM
|
16 |
Гбайт | ||||
|
SSD
|
/ | 2.5T / 5T / 10T |
|
|||
|
Интерфейс/ Подключение к ПК
|
USB 3.0 + HDMI |
|
||||
- 3D сканер.
- 3D печать.
- Литография прямого изображения.
- Лазерная маркировка и ремонт.
- Офтальмология.
- Гиперспектральная визуализация.
- Гиперспектральное сканирование.
- 3D микроскоп.
- Умное и адаптивное освещение.







