ГлавнаяКаталогПозиционеры. Трансляторы. Юстировка волокон и ФИСПьезоэлектрические позиционерыСканирующие пьезоэлектрические столикиCarrier.S.Z - cканирующие пьезоэлектрические столики
Carrier.S.Z - cканирующие пьезоэлектрические столики
Carrier.S.Z - серия пьезоэлектрических столиков.
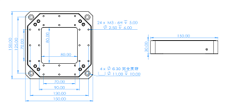
- Размеры платформы 150 × 150 × 30 мм.
- Перемещение по оси Z до 100 / 200 мкм.
- Режим обратной связи с разрешением до 0,8 / 1 нм.
- Нагрузка до 5 кг.
- Диапазон рабочих температур от 15 до 40 °C.
- Варианты исполнения: стандартное; .HV; .UHV; .NM; .HV.NM; .UHV.NM.
- Совместимость с контроллером Archimedes.Nx.
Производитель: MULTIFIELDS TECHNOLOGIES
Пьезопозиционеры Carrier.S.Z поддерживают работу в режиме обратной связи и без неё. Для работы без обратной связи существует режим точной настройки, представляющий собой метод управления движением, при котором пьезоэлементы вместо непрерывной последовательности высокочастотного сигнала напряжения пилообразной формы управляются аналоговым сигналом. Благодаря высокому разрешению аналогового сигнала, платформа может достигать большей точности позиционирования. Подробнее о режимах управления пьезопозиционерами MultiFIelds в материале.
| Параметр | Значение | Ед. Измерения | |||||
|---|---|---|---|---|---|---|---|
| Модель | Carrier.S100.Z | Carrier.S200.Z | |||||
| Исполнение |
|
|
|
||||
| Стандартное1 | ✔ | ✔ | |||||
| .HV2 | ✔ | ✔ | |||||
| .UHV3 | ✔ | ✔ | |||||
| .NM4 | ✔ | ✔ | |||||
| .HV.NM5 | ✔ | ✔ | |||||
| .UHV.NM6 | ✔ | ✔ | |||||
| Оси перемещения | Z | ||||||
| Размеры (Ш х Д х В) | 150 × 150 × 30 | мм | |||||
| Апертура | 80 × 80 | мм | |||||
|
Материал корпуса (стандартное, .HV, .UHV) |
Алюминиевый сплав, Сталь |
||||||
|
Материал корпуса (немагнитное) |
Алюминиевый сплав, Титан | ||||||
| Масса (стандартное, .HV, .UHV) | 1,4 | кг | |||||
| Масса (немагнитное) | 1,3 | кг | |||||
| Перемещение (режим обратной связи) | 100 | 200 | мкм | ||||
| Разрешение (с обратной связью) | 0,8 | 1,0 | нм | ||||
| Разрешение (без обратной связи) | 0,2 | 0,6 | нм | ||||
| Повторяемость | 5 | 5 | нм | ||||
| Линейность | 0,02 | 0,02 | % | ||||
| Жесткость | 3,0 | 2,0 | Н/мкм | ||||
| Резонансная частота (без нагрузки) | 510 | 360 | Гц | ||||
| Резонансная частота (нагрузка 0,5 кг) | 350 | 210 | |||||
| Резонансная частота (нагрузка 2,5 кг) | 210 | 140 | |||||
| Максимальная нагрузка | 5 | кг | |||||
| Тип датчика | Емкостной | ||||||
| Длина кабеля / Разъем |
1 м, экранированный кабель (D-Sub 7W2) Для .UHV: SMA |
||||||
2) .HV - исполнение для высокого вакуума до 2E-7 мбар.
3) .UHV - исполнение для сверхвысокого вакуума до 2E-11 мбар.
4) .NM - полностью немагнитное исполнение.
5) .HV.NM - исполнение для высокого вакуума с полной немагнитности.
6) .UHV.NM - исполнение для сверхвысокого вакуума с полной немагнитности.
- Нанотехнологии и микросистемная техника.
- Производство интегральных схем и полупроводниковых устройств.
- Создание наноструктур.
- Научные исследования.
- Измерение высоких энергий.
- Микроскопия сверхвысокого разрешения.
- Электронная и сканирующая зондовая микроскопия.
- Дифрактометрия.




