WOERBPL1315B40 - СВЧ фотодиод с полосой пропускания до 40 ГГц
WOERBPL1315B40 - это высокопроизводительный СВЧ фотодиод, выполняющий фотоэлектрическое преобразование, с шириной полосы частот 3дБ ≥ 40 ГГц и чувствительностью ≥ 0,6 А/Вт.
- Ширина полосы оптического сигнала 40 ГГц.
- Диапазон рабочих длин волн от 1260 до 1565 нм.
- Чувствительность от 0,6 А/Вт.
- Низкий уровень темнового тока.
СВЧ фотодиод WOERBPL1315B40 от компании LD-PD - это высокопроизводительное устройство, выполняющее фотоэлектрическое преобразование, с шириной полосы частот 3дБ ≥ 40 ГГц и чувствительностью ≥ 0,6 А/Вт. За счет прямого оптико-аналогового ВЧ-преобразования он позволяет расширить диапазон частот связи до значений, превышающих 40 ГГц.
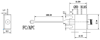
Устройство состоит из высокоскоростного InGaAs PIN-фотодиода, соединенного с выходным ВЧ-разъемом. Оно включает в себя внутреннюю развязку по напряжению смещения. Диапазон чувствительности фотоприёмника составляет 1260–1565 нм. Весь блок размещён в герметичном корпусе и весит менее 25 граммов.
- Ширина полосы оптического сигнала 40 ГГц.
- Широкий диапазон длин волн.
- Высокая надёжность.
- Чувствительность от 0,6 А/Вт.
- Низкий уровень темнового тока.
Основные характеристики
| Параметр | Мин. | Станд. | Макс. | Ед. измерения |
|---|---|---|---|---|
| Рабочая длина волны | 1260 | 1550 | 1565 | нм |
| Полоса пропускания 3дБ, Ропт = 0 дБм | 35 | 40 | - | ГГц |
| Чувствительность, 1550 нм | - | 0,6 | - | A/Вт |
| Чувствительность, 1310 нм | - | 0,7 | - | A/Вт |
| Темновой ток, Vобр = +4 В | - | 10 | - | нА |
| Мощность насыщения, 1550 нм, Vобр = 5В | - | 8 | - | дБм |
Максимальные абсолютные параметры
| Параметр | Значение | Ед. измерения |
|---|---|---|
|
Оптическая мощность
|
13 | дБм |
|
Обратное напряжение
|
6 | В |
|
Рабочая температура
|
-40~+70 | ℃ |
|
Температура хранения
|
-55~+85 | ℃ |
- Научные исследования.
- Оптическая связь.
- Высокоточная аппаратура.
- Микроволновая фотоника.








