ГлавнаяКаталогОптические приемники. Фотодиоды и детекторыФотодиоды и фотоприемники для ВОЛС и радиофотоникиСВЧ фотодиоды с волоконным вводом излучения (от 6 до 65 ГГц)WOERBPL1315B40-HP - СВЧ фотодиод с полосой пропускания до 40 ГГц и высокой мощностью насыщения
WOERBPL1315B40-HP - СВЧ фотодиод с полосой пропускания до 40 ГГц и высокой мощностью насыщения
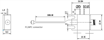
WOERBPL1315B40-HP - это высокопроизводительный СВЧ фотодиод, выполняющий фотоэлектрическое преобразование, с шириной полосы частот 3дБ ≥ 38 ГГц, чувствительностью ≥ 0,7 А/Вт и мощностью насыщения от 13 дБм.
- Ширина полосы оптического сигнала 40 ГГц.
- Диапазон рабочих длин волн от 1100 до 1620 нм.
- Мощность насыщения от 13 дБм.
- Низкий уровень темнового тока.
Производитель: LD-PD
СВЧ фотодиод WOERBPL1315B40-HP от компании LD-PD - это высокопроизводительное устройство, осуществляющее преобразование оптического сигнала в электрический. При входной оптической мощности до 16 дБм он обеспечивает полосу пропускания 3 дБ ≥ 40 ГГц и чувствительность ≥ 0,75 А/Вт. Устройство подходит для применения в приборостроении, микроволновой фотонике и смежных технических областях.
Особенности:
- Ширина полосы оптического сигнала 40 ГГц.
- Широкий диапазон длин волн.
- Высокая мощность насыщения.
- Чувствительность от 0,7 А/Вт.
- Низкий уровень темнового тока.
Основные характеристики
| Параметр | Мин. | Станд. | Макс. | Ед. измерения |
|---|---|---|---|---|
| Рабочая длина волны | 1100 | 1550 | 1620 | нм |
| Полоса пропускания 3дБ, Ропт = 0 дБм | 38 | 40 | - | ГГц |
| Чувствительность, 1550 нм | - | 0,7 | - | A/Вт |
| Чувствительность, 1310 нм | - | 0,7 | - | A/Вт |
| Темновой ток, Vобр = +5 В | - | 10 | - | нА |
| Мощность насыщения, 1550 нм, Vобр = 5В | 13 | - | - | дБм |
Максимальные абсолютные параметры
| Параметр | Значение | Ед. измерения |
|---|---|---|
|
Оптическая мощность
|
16 | дБм |
|
Обратное напряжение
|
10 | В |
|
Рабочая температура
|
-40~+70 | ℃ |
|
Температура хранения
|
-55~+85 | ℃ |
- Научные исследования.
- Оптическая связь.
- Высокоточная аппаратура.
- Микроволновая фотоника.








