ГлавнаяКаталогЛазерные диоды. Диоды накачки. ДрайверыЛазерные диоды с распределенной обратной связью (DFB)DFB лазерные диоды, 1742 - 3390 нмPL-DFB-2131 - 2131 нм DFB лазерный диод
PL-DFB-2131 - 2131 нм DFB лазерный диод
PL-DFB-2131 - серия DFB лазерных диодов в корпусе 14-pin "бабочка" с центральной длиной волны 2131 нм.
- Центральная длина волны 2131 нм.
- Ширина спектральной линии <2 МГц.
- Выходная мощность до 5 мВт.
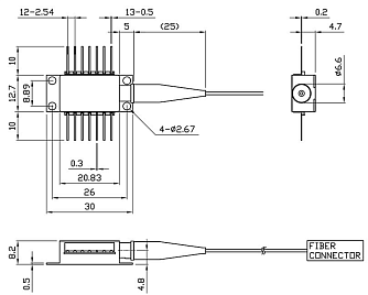
- Корпус 14-pin "бабочка".
- Тип волокна SM, PM.
Производитель: LD-PD
DFB лазерные диоды серии PL-DFB-2131 представляют собой источники когерентного излучения с центральной длиной волны 2131 нм. DFB чип лазерного диода упакован в стандартный герметичный корпус 14-pin "бабочка" со встроенными TEC и PD.
Особенности:
- Узкая ширина спектральной линии <2 МГц.
- Превосходный контроль длины волны и высокая стабильность.
- Возможность регулировки длины волны без скачков мод.
- Высокая надежность.
Спектр:
Перестроечная характеристика:
График зависимости выходной мощности от тока:
Общие параметры
| Параметр | Мин. | Тип. | Макс. | Ед. измерения |
|---|---|---|---|---|
|
Центральная длина волны
|
2130 | 2131 |
2132 |
нм |
|
SMSR
|
30 | 40 | - | дБ |
|
Пороговый ток
|
- | 20 | 30 | мА |
|
Рабочий ток
|
- | 80 | 120 | мА |
|
Выходная мощность
|
2 | 3 | 5 | мВт |
|
Квантовая эффективность
|
0,08 | 0,12 | - | мВт/мА |
|
Коэффициент перестройки током
|
- | 0,015 | - | нм/мА |
|
Коэффициент перестройки температурой
|
- | 0,12 | - | нм/К |
|
Прямое напряжение
|
- | 1,3 | 2 | В |
|
Сопротивление термистора
|
9,5 | 10 | 10,5 | кОм |
|
Температурный коэффициент термистора
|
- | -4,4 | - | %/°С |
|
Тип волокна
|
SM, PM | - | ||
|
Коннекторы
|
FC/APC | - | ||
Абсолютные предельные значения
| Параметр | Мин. | Тип. | Макс. | Ед. измерения |
|---|---|---|---|---|
|
Температура корпуса
|
-5 | +25 | +70 |
°С |
|
Температура чипа
|
+10 |
+25 |
+40 |
°С |
|
Рабочий ток
|
0 | 100 | 120 | мА |
|
Прямое напряжение
|
0,8 | 1,2 | 1,8 | В |
|
Ток TEC
|
- | - | 1,2 | А |
|
Обратное напряжение (ЛД)
|
- | - | 2 | В |
|
Обратное напряжение (ФД)
|
- | - | 20 | В |
- Диодно-лазерная абсорбционная спектроскопия (TDLAS).
- Мониторинг CO.
PL-DFB-2131 - 2131 нм DFB лазерный диод 1124.16(Kб)











