ГлавнаяКаталогЛазерные диоды. Диоды накачки. ДрайверыЛазерные диоды с распределенной обратной связью (DFB)DFB лазерные диоды, 760 - 986 нмPL-DFB-780-FSCO - 780 нм перестраиваемый DFB лазерный диод
PL-DFB-780-FSCO - 780 нм перестраиваемый DFB лазерный диод
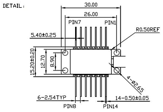
PL-DFB-780-FSCO - серия DFB лазерных диодов в корпусе 14-pin "бабочка" с центральной длиной волны 780 нм.
- Центральная длина волны 780 нм.
- Ширина спектральной линии <1 МГц.
- Выходная мощность до 100 мВт.
- Корпус 14-pin "бабочка".
- Вывод в свободное пространство.
Производитель: LD-PD
DFB лазерные диоды серии PL-DFB-780-FSCO представляют собой источники когерентного излучения с центральной длиной волны 780 нм. DFB чип лазерного диода упакован в стандартный герметичный корпус 14-pin "бабочка" со встроенными TEC и PD с выводом излучения в свободное пространство.
Особенности:
- Узкая ширина спектральной линии <1 МГц.
- Вывод излучения в свободное пространство.
- Низкий уровень шума (RIN -140 дБ/Гц).
- Превосходный контроль длины волны и высокая стабильность.
- Возможность регулировки длины волны без скачков мод.
- Высокая надежность.
Спектр:
Ширина спектральной линии DFB ЛД:
Стабильность длины волны:
Стабильность мощности:
График зависимости выходной мощности от тока:
Электрические/оптические характеристики
| Параметр | Мин. | Тип. | Макс. | Ед. измерения |
|---|---|---|---|---|
|
Центральная длина волны
|
777 | 780 | 785 | нм |
|
SMSR
|
30 | 40 | - | дБ |
|
Пороговый ток
|
- | 20 | 50 | мА |
|
Рабочий ток
|
- | 200 | 250 | мА |
|
Выходная мощность
|
100 | 150 | - | мВт |
|
Квантовая эффективность
|
0,4 | 0,45 | - | мВт/мА |
|
Коэффициент перестройки током
|
- | 0,015 | - | нм/мА |
|
Коэффициент перестройки температурой
|
- | 0,12 | - | нм/К |
|
Прямое напряжение
|
- | 1,3 | 2 | В |
|
Сопротивление термистора
|
9,5 | 10 | 10,5 | кОм |
|
Температурный коэффициент термистора
|
- | -4,4 | - | %/°С |
| Ширина линии | 500 | 1000 | кГц |
- Диодно-лазерная абсорбционная спектроскопия (TDLAS).
- Охлаждение атомов.











