SSP-ST-473-AOM - стабильные твердотельные лазеры с диодной накачкой
- Длина волны излучения: 473 нм.
- Минимальная выходная мощность: 1 мВт.
- Максимальная выходная мощность: 50 мВт.
- Расходимость пучка: ≤ 1,5 мрад.
- Высокая стабильность выходной мощности.
- Высокая надежность.
- Компактный дизайн корпуса.
- Длительный срок службы.
Твердотельный лазер модели SSP-ST-473-AOM на длине волны 473 нм представляет собой специализированное решение для OEM-интеграции и научных исследований. Система поддерживает частоту модуляции до 1 МГц, обеспечивая высокую скорость переключения. Лазер функционирует в непрерывном режиме (CW) с выходной мощностью от 1 до 50 мВт (на выбор). Параметры пучка характеризуются поперечной модой TEM₀₀, коэффициентом M² < 1.5, диаметром апертуры менее 1.0 мм и расходимостью менее 1.5 мрад. В систему интегрирован акустооптический модулятор (АОМ). Стабильность выходной мощности поддерживается на уровне <3%, <2% или <1% (на выбор) в течение 4 часов работы. Благодаря возможности быстрой модуляции, данная модель является оптимальным инструментом для лазерной обработки текста и изображений, литографии, фотонабора и систем цифровой связи. Компактное исполнение и надежность компонентов обеспечивают длительный срок службы и стабильную интеграцию в сложные технические комплексы.
Поставляется в комплекте с блоком питания PSU-III-FDA-AOM, который обеспечивает стабильную работу всей системы и регулировку мощности. Эксплуатация возможна при рабочей температуре от 10 до 35°C, время прогрева составляет не более 10 минут, после которого стабильность наведения пучка достигает значения ≤0,05 мрад.
| Параметр | Значение | Единица измерения |
|---|---|---|
| Длина волны | 473 ± 1 | нм |
| Выходная мощность | 1- 50 | мВт |
| Рабочий режим | Непрерывный | - |
| Стабильность мощности (rms, после 4 часов) | ≤ 3, ≤ 2, ≤ 1 | % |
| Поперечный модовый состав | Близкий к TEM00 | - |
| Коэффициент М2 | ≤ 1,5 | - |
| Диаметр пучка на выходе (по уровню 1/e2) | ≤ 1,0 | мм |
| Расходимость пучка, полный угол | ≤ 1,5 | мрад |
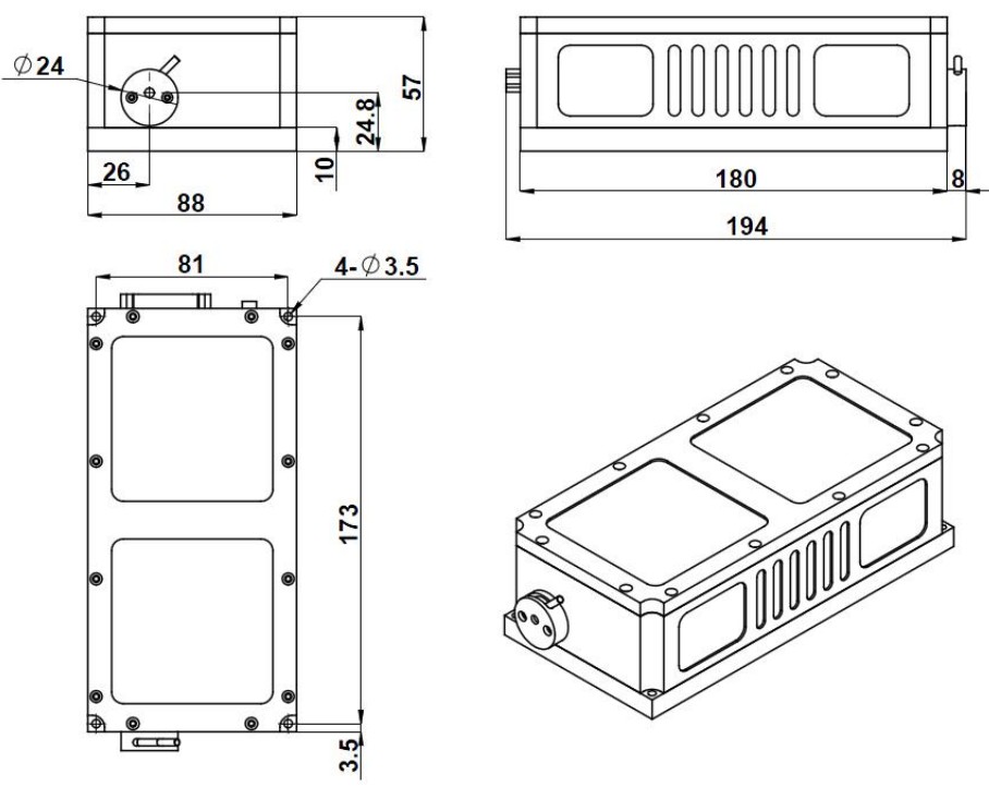
| Высота пучка | 24,8 | мм |
| Степень поляризации |
≥ 100:1 |
|
| Рабочая температура | От 10 до 35 | °C |
| Время прогрева | ≤ 10 | мин |
| Стабильность направления пучка после прогрева | ≤ 0.05 | мрад |
| Питание | PSU-III-FDA-AOM |
|
| Модуляция | 1 | Мгц |
| Время жизни | 10000 | ч |
| Гарантийный срок | 1 | год |
- Научные эксперименты.
- Медицинские исследования.
- Приборостроение.
- Спектральный анализ.
- Лазерная обработка.





