SSP-ST-FN - твердотельные лазеры с диодной накачкой
- Режим излучения: непрерывный.
- Диапазон длин волн: 261 - 365 нм.
- Выходная мощность: 1 - 150 мВт.
- Расходимость пучка: ≤ 1,5 мрад.
- Диаметр пучка (по 1/e2): ≤ 1,2 мм.
- Параметр М2: ≤ 3,0.
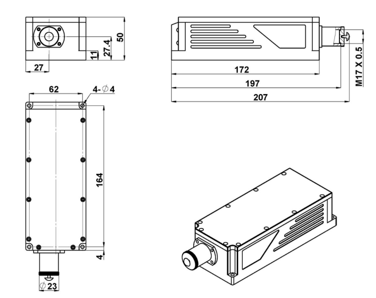
Линейка твердотельных DPSS-лазеров SSP-ST-FN представляет собой серию генераторов с диодной накачкой, работающих в непрерывном режиме излучения. В линейке представлено 9 моделей, каждая из которых характеризуется определённой длиной волны: 261, 273, 303, 320, 335, 349, 355, 360 и 365 нм. Мощность излучения регулируется в широком диапазоне от 1 до 150 мВт, что позволяет подобрать оптимальную модель для решения конкретных задач. Параметры пучка: расходимость не более 1,5 мрад, диаметр по уровню 1/e² не превышает 1,2 мм и параметр М2 качества не более 3,0.
Каждая модель поставляется с блоком питания: PSU-H-FDA, PSU-H-LED, PSU-SR. Блок питания гарантирует стабильную работу всей системы. Эксплуатация возможна при температуре от 10 до 35 °C. Время прогрева составляет не более 10 минут, после которого стабильность наведения пучка достигает значения ≤0,05 мрад. Благодаря компактным размерам корпуса, длительному сроку службы, доступной стоимости и простоте в эксплуатации эти DPSS лазеры являются оптимальным выбором для научных исследований и промышленного применения. Их надежность и удобство использования делают их востребованным решением в различных областях применения.
Модели:
- SSP-ST-261-FN: длина волны 261 ± 1, выходная мощность 1 - 10 мВт.
- SSP-ST-273-FN: длина волны 273 ± 1, выходная мощность 1 - 5 мВт.
- SSP-ST-303-FN: длина волны 3-3 ± 1, выходная мощность 1 - 30 мВт.
- SSP-ST-320-FN: длина волны 320 ± 1, выходная мощность 1 - 100 мВт.
- SSP-ST-335-FN: длина волны 335 ± 1, выходная мощность 1 - 60 мВт.
- SSP-ST-349-FN: длина волны 349 ± 1, выходная мощность 1 - 150 мВт.
- SSP-ST-355-FN: длина волны 355 ± 1, выходная мощность 1 - 50 мВт.
- SSP-ST-360-FN: длина волны 360 ± 1, выходная мощность 1 - 150 мВт.
- SSP-ST-365-FN: длина волны 365 ± 1, выходная мощность 1 - 100 мВт.
| Параметр | Значение | Единица измерения | |||||||||
|---|---|---|---|---|---|---|---|---|---|---|---|
|
Длина волны
|
261 ± 1 | 273 ± 1 | 303 ± 1 | 320 ± 1 | 335 ± 1 | 349 ± 1 | 355 ± 1 | 360 ± 1 | 365 ± 1 | нм | |
|
Рабочий режим
|
Непрерывный | ||||||||||
|
Выходная мощность
|
1 - 10 | 1 - 5 | 1 - 30 | 1 - 100 | 1 - 60 | 1 - 150 |
1 - 50 |
1 - 150 | 1 - 100 | мВт | |
|
Поперечный модовый состав
|
TEM00 | ||||||||||
|
Стабильность мощности (rms, после 4 часов)
|
≤ 3 (≤ 2*) | ≤ 3, ≤ 2, ≤ 1 | ≤ 5, ≤ 3 (≤ 2*) | ≤ 3, ≤ 2, ≤ 1 | % | ||||||
|
Диаметр пучка на выходе (по уровню 1/e2)
|
≤ 1,0 |
≤ 1,2 | ≤ 1,0 | мм | |||||||
|
Расходимость пучка, полный угол
|
≤ 1,2 |
≤ 1,5 | ≤ 1,2 | ≤ 1,5 | мрад | ||||||
|
Параметр М2
|
≤ 3,0 | ≤ 2,0 | ≤ 1,5 | ≤ 1,2 | ≤ 2,0 | ||||||
|
Коэффициент поляризации
|
≥ 100:1 вертикальная (горизонтальная опционально) |
||||||||||
|
Время прогрева
|
≤ 10 | мин | |||||||||
|
Стабильность наведения пучка после прогрева
|
<0,05 | мрад | |||||||||
|
Высота пучка от основания корпуса
|
32,5 | 32,5/ 27,4 | мм | ||||||||
|
Опция модуляции
|
DC-1 кГц; TTL и аналоговая модуляция (опционально) | ||||||||||
|
Рабочая температура
|
от 10 до 35 | °C | |||||||||
| Блок питания | PSU-H-FDA | PSU-H-LED/ PSU-H-FDA/ PSU-SR | PSU-H-FDA | PSU-H-LED/ PSU-H-FDA/ PSU-SR | |||||||
* опционально
- Коллимация излучения.
- Лазерные медицинские устройства.
- Научные эксперименты.
- Оптические устройства и системы.













