ГлавнаяКаталогЛазерные диоды. Диоды накачки. ДрайверыКвантово-каскадные лазерные диодыQCL-1505HC - квантово-каскадный лазерный диод с распределенной обратной связью, 6,64 мкм
QCL-1505HC - квантово-каскадный лазерный диод с распределенной обратной связью, 6,64 мкм
QCL-1505HC - квантово-каскадный лазерный диод с распределенной обратной связью.
- Центральная длина волны: 6,64 мкм.
- Выходная мощность: ≥ 20 мВт.
- Ширина спектральной линии: ≤ 0,2 см-1.
- Пороговый ток: ≤ 0,2 А.
- Детектируемый газ: C2H6.
Производитель: LD-PD
QCL-1505HC - модель одночастотного квантово-каскадного лазерного диода с распределенной обратной связью (DFB QCL), работающего на центральной длине волны 6,64 мкм. Данный лазерный диод применяется в задачах высокочувствительного газового анализа. Рабочий диапазон охватывает линии поглощения C2H6.
- Узкая спектральная линия, соответствующая требованиям спектрального анализа высокого разрешения.
- Высокая стабильность длины волны.
- Превосходное отношение сигнал/шум.
| Параметр | Значение | Единица измерения | |
|---|---|---|---|
| Центральная длина волны | 6,64 | мкм | |
| Выходная мощность | ≥ 20 | мВт | |
| Рабочий режим | Непрерывный / Импульсный |
|
|
| Волновое число | 1505 | см-1 | |
| Пороговый ток | 0,2 | А | |
| Детектируемый газ | C2H6 |
|
|
| Ширина спектральной линии | 0,2 | см-1 | |
| Диапазон перестройки частоты | ± 1 | см-1 | |
| Коэффициент подавления боковых мод (SMSR) | 25 | дБ | |
| Сопротивление термистора | 10@ 25°C | кОм | |
| Рабочая температура | От 10 до 50 | °C | |
| Материал оптического окна | ZnSe | ||
| Тип оптического окна | Клиновидное / Плоскопараллельное |
|
|
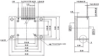
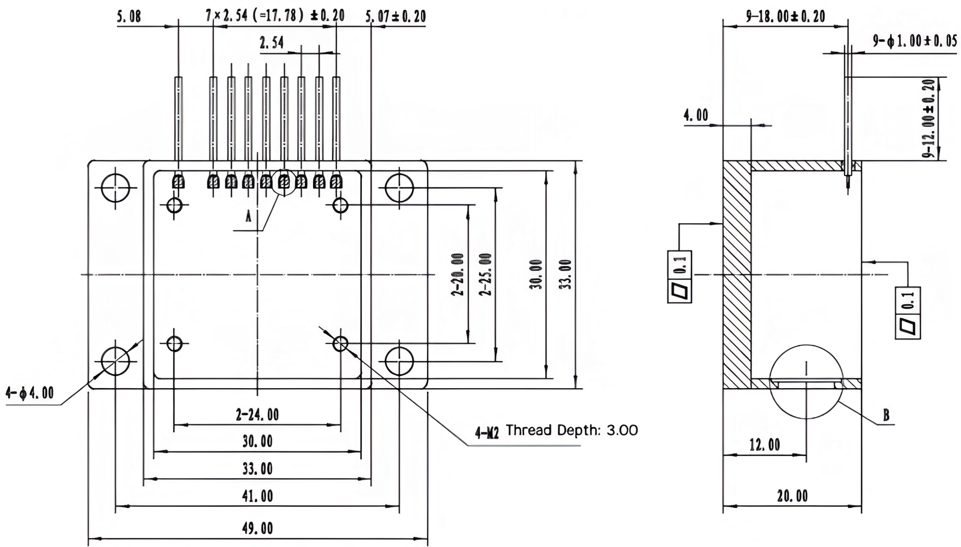
| Тип корпуса | HHL |
|
|
| Диаметр оптического окна | 9,8 | мм | |
| Герметизация | Сухим азотом (N2) |
|
|
| Гарантийный срок | 1 | год | |
- Научные исследования.
- Экологический мониторинг.
- Нефтегазовая и химическая промышленность.
- Безопасность и охрана труда.
- Медицинская диагностика.







