ГлавнаяКаталогЛазерные диоды. Диоды накачки. ДрайверыКвантово-каскадные лазерные диодыQCL-2310HC - квантово-каскадный лазерный диод с распределенной обратной связью, 4,33 мкм
QCL-2310HC - квантово-каскадный лазерный диод с распределенной обратной связью, 4,33 мкм
QCL-2310HC - квантово-каскадный лазерный диод с распределенной обратной связью.
- Центральная длина волны: 4,33 мкм.
- Выходная мощность: ≥ 20 мВт.
- Ширина спектральной линии: ≤ 0,2 см-1.
- Пороговый ток: ≤ 0,2 А.
- Детектируемый газ: CO2, изотопы CO2.
Производитель: LD-PD
QCL-2310HC - модель одночастотного квантово-каскадного лазерного диода с распределенной обратной связью (DFB QCL), работающего на центральной длине волны 4,33 мкм. Данный лазерный диод применяется применяются в задачах высокочувствительного газового анализа. Рабочий диапазон охватывает линии поглощения диоксида углерода (CO₂) и его изотопы.
- Узкая спектральная линия, соответствующая требованиям спектрального анализа высокого разрешения.
- Высокая стабильность длины волны.
- Превосходное отношение сигнал/шум.
| Параметр | Значение | Единица измерения | |
|---|---|---|---|
| Центральная длина волны | 4,33 | мкм | |
| Выходная мощность | ≥ 20 | мВт | |
| Рабочий режим | Непрерывный / Импульсный |
|
|
| Волновое число | 2310 | см-1 | |
| Пороговый ток | 0,2 | А | |
| Детектируемый газ | CO2, изотопы CO2 |
|
|
| Ширина спектральной линии | 0,2 | см-1 | |
| Диапазон перестройки частоты | ± 1 | см-1 | |
| Коэффициент подавления боковых мод (SMSR) | 25 | дБ | |
| Сопротивление термистора | 10@ 25°C | кОм | |
| Рабочая температура | От 10 до 50 | °C | |
| Материал оптического окна | ZnSe | ||
| Тип оптического окна | Клиновидное / Плоскопараллельное |
|
|
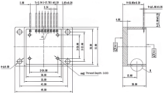
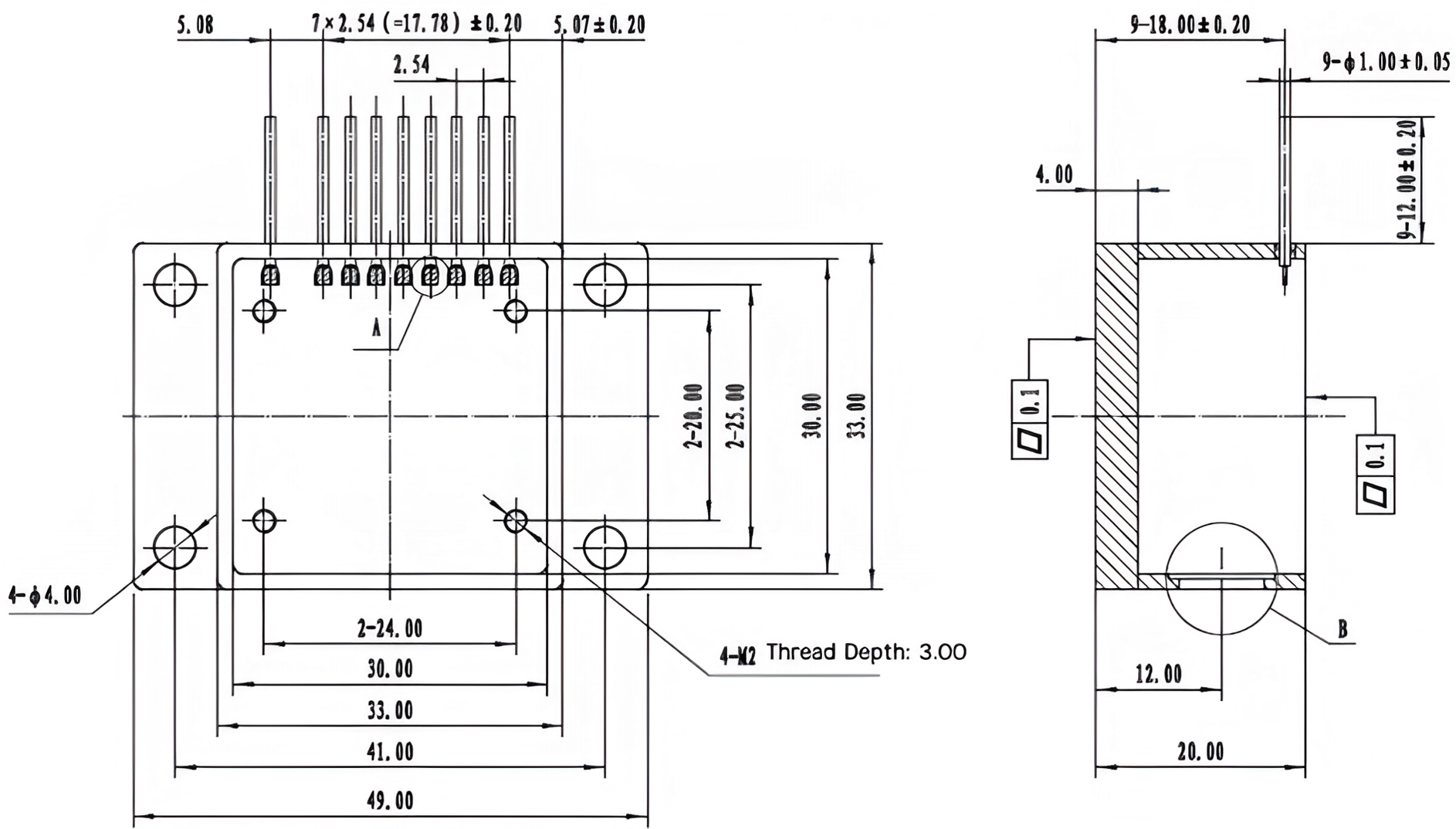
| Тип корпуса | HHL |
|
|
| Диаметр оптического окна | 9,8 | мм | |
| Герметизация | Сухим азотом (N2) |
|
|
| Гарантийный срок | 1 | год | |
- Научные исследования.
- Экологический мониторинг.
- Нефтегазовая и химическая промышленность.
- Безопасность и охрана труда.
- Медицинская диагностика.







