ГлавнаяКаталогЛазерные диоды. Диоды накачки. ДрайверыКвантово-каскадные лазерные диодыQCLFP04-2480HC - квантово-каскадный лазерный диод с резонатором Фабри-Перо, 4,03 мкм
QCLFP04-2480HC - квантово-каскадный лазерный диод с резонатором Фабри-Перо, 4,03 мкм
QCLFP04-2480HC - квантово-каскадный лазерный диод с резонатором Фабри-Перо.
- Центральная длина волны: 4,03 мкм.
- Выходная мощность: ≤ 1000 мВт.
- Волновое число: 2480 см-1 .
- Пороговый ток: ≤ 0,95 А.
Производитель: LD-PD
QCLFP04-2480HC - модель квантово-каскадного лазерного диода с резонатором Фабри-Перо (FP QCL), работающего с центральной длиной волны 4,03 мкм. Данный лазерный диод генерирует излучение с одной поперечной и множеством продольных мод.
Особенности:- Высокий коэффициент подавления боковых мод (SMSR).
- Высокая выходная мощность.
- Одна поперечная мода и многомодовый продольный спектр излучения.
| Параметр | Значение | Единица измерения | |
|---|---|---|---|
| Центральная длина волны | 4,03 | мкм | |
| Выходная мощность | ≤ 1000 | мВт | |
| Рабочий режим | Непрерывный / Импульсный |
|
|
| Волновое число | 2480 | см-1 | |
| Пороговый ток | ≤ 0,95 | А | |
| Ширина спектральной линии | Многомодовая | см-1 | |
| Коэффициент подавления боковых мод (SMSR) | 25 | дБ | |
| Сопротивление термистора | 10@ 25°C | кОм | |
| Рабочая температура | 20 | °C | |
| Материал оптического окна | ZnSe | ||
| Тип оптического окна | Клиновидное / Плоскопараллельное |
|
|
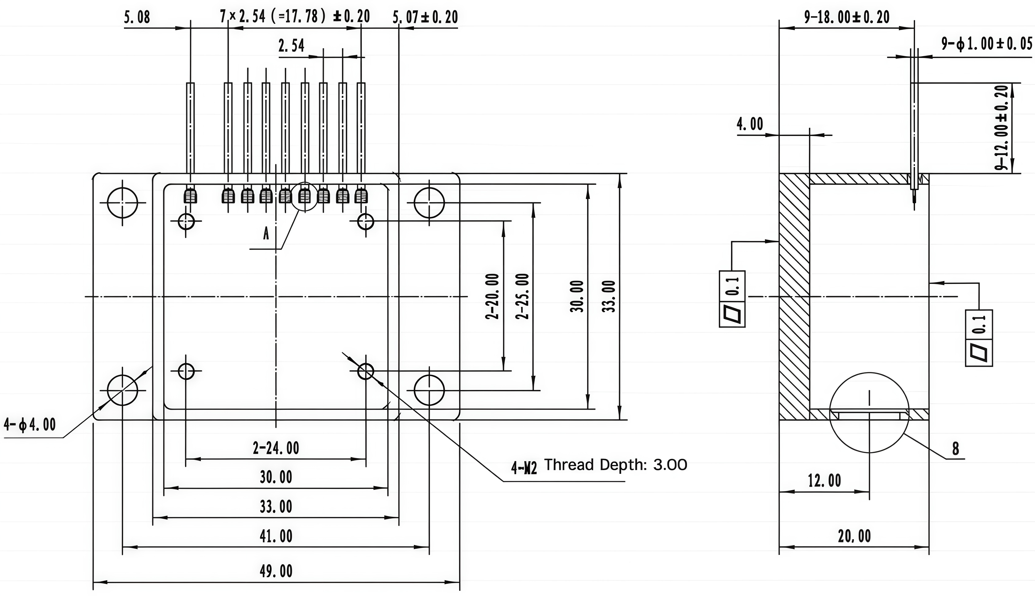
| Тип корпуса | HHL |
|
|
| Диаметр оптического окна | 9,8 | мм | |
| Герметизация | Сухим азотом |
|
|
- Лазерная биомедицинская визуализация.
- Лидары.
- Молекулярная спектроскопия.







