ГлавнаяКаталогЛазерные диоды. Диоды накачки. ДрайверыЛазерные диоды с резонатором Фабри-ПероЛазерные диоды накачки с резонатором Фабри-Перо, 785 - 1490 нмPL-FP-830-FBG - 830 нм высокомощные FP лазерные диоды
PL-FP-830-FBG - 830 нм высокомощные FP лазерные диоды
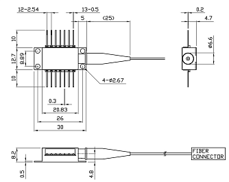
PL-FP-830-FBG - серия лазерных диодов накачки с резонатором Фабри-Перо в корпусе 14-pin "бабочка" с центральной длиной волны 830 нм.
- Центральная длина волны 830 нм.
- Ширина спектра 0,08 нм.
- Выходная мощность до 315 мВт.
- Корпус 14-pin "бабочка".
- Тип волокна SM, PM.
Производитель: LD-PD
Лазерные диоды Фабри-Перо серии PL-FP-830-FBG представляют собой источники когерентного излучения с центральной длиной волны 830 нм, отлично подходящие для накачки волоконных лазеров и усилителей, мультиплексирования с разделением по длине волны. Лазерные диоды упакованы в стандартный герметичный корпус 14-pin "бабочка" со встроенными TEC и PD.
Особенности:
- Оптическая выходная мощность до 315 мВт.
- Корпус 14-pin «бабочка».
- Встроенный TEC, термистор и ФД.
- Высокий динамический диапазон.
- Отличная стабильность при низком энергопотреблении.
Электрические/оптические характеристики
| Параметр | Мин. | Тип. | Макс. | Ед. измерения |
|---|---|---|---|---|
| Центральная длина волны | 829 | 830 | 831 | нм |
| Ширина спектра | 0,01 | 0,08 | 0,1 | нм |
| Пороговый ток | - | 50 | 100 | мА |
| Рабочий ток | - | 400 | 500 | мА |
| Выходная оптическая мощность | 285 | 300 | 315 | мВт |
| Коэффициент слежения1 | 0,52 | - | 1,48 | - |
| Ошибка слежения2 | -48 | - | +48 | - |
| Чувствительность ФД | 0,5 | - | 5 | мкА/мВт |
| Темновой ток ФД (VRD=5В) | - | - | 0,1 | мкА |
| Коэффициент экстинкции (для PM версии) | 17 | 20 | - | дБ |
| Прямое напряжение | - | 1,8 | 2,6 | В |
| Сопротивление термистора | 9,5 | 10 | 10,5 | кОм |
| Температурный коэффициент термистора | - | -4,4 | - | %/°C |
| Тип коннектора |
FC/APC либо без коннектора |
- | ||
Абсолютные предельные значения
| Параметр | Мин. | Тип. | Макс. | Ед. измерения |
|---|---|---|---|---|
|
Температура корпуса
|
-5 | +25 | +70 |
°С |
|
Температура чипа
|
+10 |
+25 |
+50 |
°С |
|
Рабочий ток
|
0 | 300 | 450 | мА |
|
Прямое напряжение
|
0,8 | 1,2 | 1,8 | В |
|
Ток TEC
|
- | 1,2 | 2,0 | А |
| Осевая сила растяжения (3x10 с) | - | - | 5 | Н |
| Боковая сила растяжения (3x10 с) | - | - | 2,5 | Н |
| Радиус изгиба волокна | 16 | - | - | мм |
|
Обратное напряжение (ЛД)
|
- | - | 1,8 | В |
|
Обратное напряжение (ФД)
|
- | - | 10 | В |
| Электростатический разряд (ЛД) | - | - | 1000 | В |
| Электростатический разряд (ФД) | - | - | 500 | В |
| Прямой ток фотодиода | - | 10 | мА | |
| Время пайки выводов | - | 10 | с | |
| Температура хранения | - 40 | - | + 85 | °C |
| Относительная влажность воздуха | 5 | 95 | % |
- Коэффициент слежения - это параметр, который показывает, насколько точно изменяется выходная оптическая мощность в зависимости от изменения обратного фототока. На графике зависимости оптической мощности от обратного фототока проводится прямая линия между минимальной мощностью (30 мВт) и рабочей мощностью (Pop). Коэффициент слежения определяется как отношение измеренной оптической мощности (представленной в виде точек на графике) к значению, полученному из прямой линии.
- Ошибка слежения определяется как нормализованное изменение выходной мощности относительно Pf при 25°C, т. е. (Pf –Pf_25)/Pf_25, в диапазоне температур корпуса от 0 до 75°C, при постоянном обратном фототоке, соответствующем наименьшему значению при Pf =Pop для температур 0°C, 25°C и 75°C.
- Накачка волоконных лазеров.
- Плотное мультиплексирование с разделением по длине волны (DWDM).
- Накачка волоконных усилителей.
- EDFA усилители с высокой скоростью передачи данных и большим количеством каналов.
- CATV.








