ГлавнаяКаталогЛазерные диоды. Диоды накачки. ДрайверыСуперлюминесцентные лазерные диоды (SLD)SLD лазерные диоды, 1000 - 1480 нмHS-6312-0003 - 1310 нм SLD лазерные диоды
HS-6312-0003 - 1310 нм SLD лазерные диоды
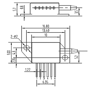
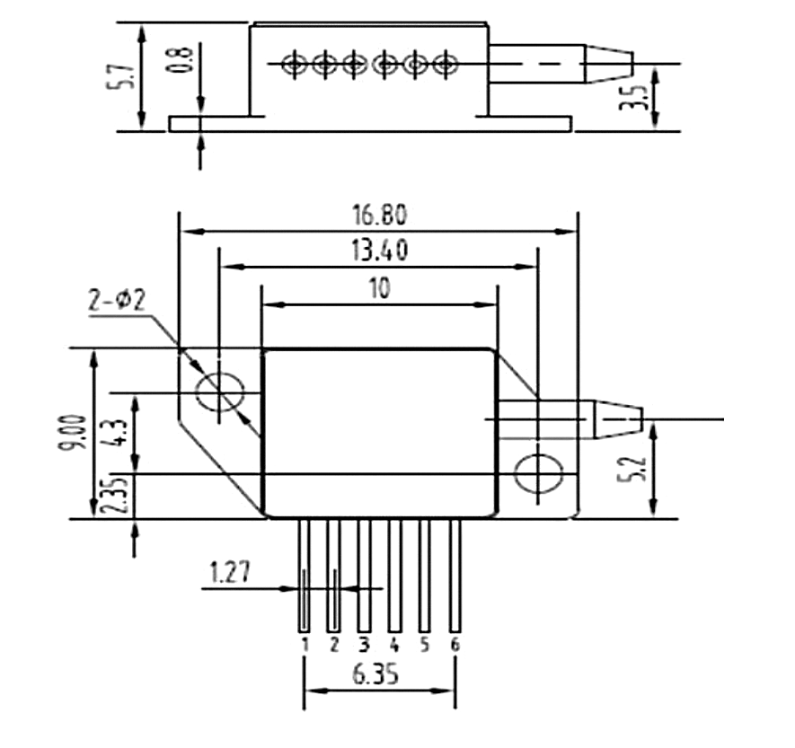
HS-6312-0003 - SLD лазерные диоды в корпусе 6-pin с охлаждением и центральной длиной волны 1310 нм.
- Ширина спектра от 35 нм.
- Оптическая выходная мощность от 1 мВт.
- Корпус 6-pin.
- Встроенный TEC.
- Оптический вывод PM 6/125/250.
- Низкий коэффициент поляризационной экстинкции ≤ 1 дБ.
Производитель: LD-PD
Суперлюминесцентные диоды HS-6312-0003 от компании LD-PD представляют собой надежные источники света с центральной длиной волны 1310 нм. Данные SLD сочетают в себе высокую выходную мощность, широкий спектр излучения и низкую временную когерентность. Диоды выполнены в компактном 6-pin корпусе со встроенным термоэлектрическим охладителем (TEC) для точного контроля температуры и обеспечения долгосрочной стабильности. Устройства отлично подходят для таких применений, как волоконно-оптические гироскопы, волоконно-оптические датчики и различное измерительное оборудование.
Особенности:- Центральная длина волны: 1310 нм.
- Оптическая выходная мощность: ≥ 1 мВт.
- Ширина спектра: ≥ 35 нм.
- Корпус: 6-pin с охлаждением.
- Высокая стабильность.
- Оптический вывод: PM.
- Без коннекторов.
| Параметр | Значение | Ед. измерения |
|---|---|---|
|
Выходная оптическая мощность
|
≥ 1 | мВт |
|
Диапазон длин волн
|
1290 - 1320 | нм |
|
Ширина спектра
|
≥ 35 | нм |
|
Коэффициент поляризационной экстинкции
|
≤ 1 | дБ |
|
Тип волокна
|
PM 6/125/250 |
|
|
Тип корпуса
|
6 Pin |
|
|
Рабочая температура
|
-45 ~ +70 | °C |
|
Температура хранения
|
-55 ~ +85 | °C |
|
Коэффициент температурной
чувствительности терморезистора |
3950 |
|
|
Длина волокна
|
от 1 | м |
|
Обратное напряжение
|
≤ 3 | В |
|
Рабочий ток
|
100 | мА |
|
Ток TEC
|
≤ 1,2 | А |
- Волоконно-оптические системы передачи данных.
- Волоконно-оптические гироскопы.
- Волоконно-оптические датчики.
- Оптическая когерентная томография.
- Тестирования и измерения.
HS-6312-0003 - 1310 нм SLD лазерные диоды 507.59(Kб)



