ГлавнаяКаталогЛазерные диоды. Диоды накачки. ДрайверыСуперлюминесцентные лазерные диоды (SLD)SLD лазерные диоды, 650 - 910 нмPL-HP-SLD-840 - 840 нм высокомощные SLD лазерные диоды
PL-HP-SLD-840 - 840 нм высокомощные SLD лазерные диоды
Серия высокомощных SLD лазерных диодов PL-HP-SLD-840 в корпусе 14-pin «бабочка» с центральной длиной волны 840 нм.
- Ширина спектра 40-50 нм.
- Оптическая выходная мощность до 40 мВт.
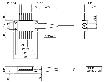
- Коннектор FC/APC.
- Корпус 14-pin «бабочка».
- Встроенные фотодиод и TEC.
- Оптический вывод SM или PM.
Производитель: LD-PD
Серия суперлюминесцентных диодов PL-HP-SLD-840 от компании LD-PD обеспечивает высокую выходную оптическую мощность, широкополосный спектр и низкую когерентность. SLD имеют малую длину когерентности и имеют высокую интенсивность. SLD отлично подходят для таких применений как оптическая когерентная томография, волоконные датчики (датчики температуры и деформации), а также для применения в испытательном и измерительном оборудовании. Источник имеет стандартный корпус 14-pin «бабочка» с встроенным фотодиодом и термоэлектрическим охладителем (TEC).
Особенности:
- Оптическая выходная мощность до 40 мВт.
- Коннектор FC/APC.
- Корпус 14-pin «бабочка».
- Непрерывный или импульсный режим работы.
- Встроенные фотодиод и TEC.
- Широкая полуширина спектра.
- Оптический вывод SM или PM.
| Параметр | Мин. | Тип. | Макс. | Ед. измерения |
|---|---|---|---|---|
| Центральная длина волны | 820 | 840 | 860 | нм |
| Ширина спектра | 30 | 40 | 50 | нм |
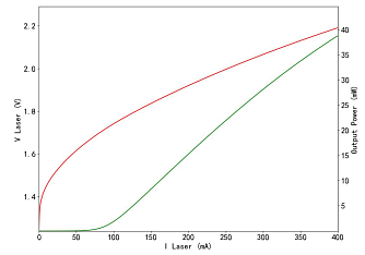
| Пороговый ток | - | 40 | 100 | мА |
| Рабочий ток | - | 300 | 400 | мА |
| Выходная оптическая мощность | 20 | 35 | 40 | мВт |
|
Темновой ток ФД (VRD=5В) |
- | - | 0,1 | мкА |
|
ER (для PM версии) |
17 | 20 | - | дБ |
| Тип волокна |
HI780/PM850 |
|
||
| Прямое напряжение | - | 1,8 | 2,5 | В |
|
Сопротивление термистора |
9,5 | 10 | 10,5 | кОм |
| Температурный коэффициент термистора | - | -4,4 | - | %/°C |
| Тип коннектора |
FC/APC |
- | ||
Абсолютные предельные значения
| Параметр | Мин. | Тип. | Макс. | Ед. измерения |
|---|---|---|---|---|
|
Температура корпуса
|
-5 | +25 | +70 |
°С |
|
Температура чипа
|
+10 |
+25 |
+40 |
°С |
|
Рабочий ток
|
0 | 300 | 400 | мА |
|
Прямое напряжение
|
0,8 | 1,2 | 1,8 | В |
|
Ток TEC
|
- | 1,2 | 1,4 | А |
|
Обратное напряжение (ЛД)
|
- | - | 1,8 | В |
|
Обратное напряжение (ФД)
|
- | - | 10 | В |
- Волоконно-оптические системы передачи данных.
- Волоконно-оптические гироскопы.
- Волоконно-оптические датчики.
- Оптическая когерентная томография.
- Тестирования и измерения.









